Реферат: Выпрямительные устройства и их характеристики
Реферат: Выпрямительные устройства и их характеристики
Выпрямительные устройства
и их характеристики
1. Структурная
схема и параметры выпрямителей
ВЫПРЯМИТЕЛЬ -
это устройство, преобразующее переменный ток в постоянный.
Структурная
схема выпрямителя

Трансформатор
регулирует напряжение до необходимой величины.
Вентильная
группа содержит элементы с односторонней проводимостью: выпрямительные диоды в
неуправляемых выпрямителях и тринисторы - в управляемых выпрямителях.
Сглаживающие
фильтры предназначены для уменьшения пульсаций выпрямленного напряжения.
Стабилизатор
напряжения поддерживает неизменным напряжение на нагрузочном резисторе Rн.
Существуют
однофазные и трехфазные, управляемые и неуправляемые выпрямители.
2. Однофазные
выпрямители. Схемы, принцип действия, параметры и характеристики
Для
выпрямления однофазного переменного напряжения применяют три схемы:
1)
однополупериодная;
2)
двухполупериодная
мостовая;
3)
двухполупериодная
трансформаторная (с выводом средней точки).
Однополупериодная
схема - в которой ток проходит через вентиль только в течение одного
полупериода переменного напряжения источника.
Двухполупериодные
схемы - в которых ток проходит через вентильную группу в течение двух
полупериодов переменного напряжения источника.
Рассмотрим
соотношения параметров в выпрямителях при следующих допущениях:
1) Индуктивное сопротивление
рассеяния трансформатора и активное сопротивление его обмоток равны нулю;
2) Сопротивление вентиля в
прямом направлении равно нулю, а в обратном равно бесконечности.
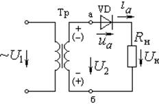
Однополупериодный
однофазный выпрямитель
Временные
диаграммы напряжений и токов:
Определим
постоянную составляющую выпрямленного тока:


.
Так как , то

.
Но так как , т.е. , то

или
.
Постоянная
составляющая напряжения, выраженная через максимальное значение:
.
Постоянная
составляющая напряжения, выраженная через действующее значение:

Таким
образом, в данной схеме максимальное напряжение на диоде
,
т.е.
напряжение на диоде в три раза больше, чем на нагрузке.
Среднее
значение тока диода в этой схеме .
Величину
пульсаций выпрямленного напряжения характеризуют коэффициентом пульсаций
,
где U1m
– амплитуда переменной составляющей напряжения, изменяющегося с частотой
повторения импульсов, т.е. амплитуда первой гармоники.
Для
однополупериодной схемы
, а .
Недостатки
схемы:
1) большое значение
коэффициента пульсаций ;
2) напряжение на нагрузке
почти в 3 раза меньше, чем на диоде;
3) постоянная составляющая
выпрямленного тока значительно меньше тока во вторичной
обмотке трансформатора, что приводит к его недостаточному использованию по
току.
Двухполупериодная
мостовая схема

I0
в 2 раза больше, чем в однополупериодной схеме. Поэтому:

;
;
Частота
выпрямленного тока в 2 раза больше, чем у сети.
.
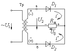
Двухполупериодная
схема с выводом средней точки вторичной обмотки трансформатора

Это
фактически сочетание двух однополупериодных выпрямителей, включенных на
нагрузочный резистор Rн в различные фазы.
Соотношения
параметров в данной схеме такие же, как и в мостовой схеме.
Преимущества
двухполупериодных выпрямителей по сравнению с однополупериодным:
Среднее значение выпрямленных тока и
напряжения в 2 раза больше, а пульсации меньше.
Но двухполупериодные выпрямители имеют
более сложную конструкцию и стоимость.
Сравнение двухполупериодных схем:
1)
Мостовая схема
конструктивно проще, ее габариты, масса и стоимость ниже, чем трансформаторной
схемы.
2) Максимальное обратное
напряжение на закрытых диодах в мостовой схеме в 2 раза меньше (на каждый из
двух диодов приходится половина напряжения).
3) Но в мостовой схеме
необходимо в 2 раза больше диодов.
При
выпрямлении токов I >Iпрmax для одного диода параллельно включают
однотипные диоды с добавочными сопротивлениями:

Величины
токов определяются их сопротивлениями в прямом направлении. Но сопротивления
диодов в прямых направлениях Rдпр даже для однотипных диодов различны.
Для выравнивания токов диодов последовательно включают добавочные
сопротивления. Причем Rд в 5…10 раз больше Rдпр.

При
выпрямлении напряжения, превышающего максимально допустимое для диода Uобр.max,
используют последовательное соединение диодов, шунтированных резисторами.
При этом
обратное напряжение на диодах распределяется в соответствии с их обратными
сопротивлениями Rд.обр. Для выравнивания обратных напряжений
параллельно диодам включают шунтирующие резисторы Rш, величина
которых равна:
Rш=(0,1…0,2)
Rд.обр.
3. Сглаживающие
фильтры
Схемы,
принцип действия, параметры и характеристики
Для
уменьшения пульсаций выпрямленного напряжения применяют сглаживающие фильтры
(СФ).
Снижение
пульсаций оценивается коэффициентом сглаживания
,
где Kп
и Kп’ – коэффициенты пульсаций до и после фильтра.
Основными
требованиями к сглаживающим фильтрам является максимальное уменьшение
высокочастотных составляющих токов в сопротивлении нагрузки.
У
индуктивного элемента , а у емкостного элемента
,
где k – номер
гармоники.
Поэтому
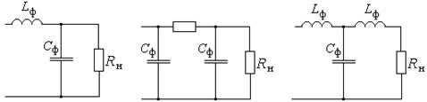
индуктивность устанавливают последовательно, а емкость – параллельно нагрузке.
Емкостной
фильтр

Конденсатор
заряжается до напряжения U2, когда U2 > Uс
(интервал t1 – t2). В течение интервала времени (t2
– t3) напряжение Uс > U2 – диод закрыт, а
конденсатор разряжается через резистор Rн с постоянной времени .
С момента
времени t3 Uс < U2 – конденсатор заряжается
и т.д.
То есть,
когда диод пропускает ток конденсатор заряжается, а когда к диоду приложено обратное
напряжение – конденсатор разряжается на нагрузку Rн.
Индуктивный
фильтр


В течение
положительного полупериода напряжения u2, когда ток i нарастает,
индуктивная катушка Lф запасает энергию, а в отрицательный полупериод
– энергия расходуется на поддержание тока.
Длительность
импульсов тока iн определяется постоянной времени . Чем больше
индуктивность Lф, тем больше затягивается импульс и его амплитуда
снижается из-за индуктивного сопротивления . Падает и среднее значение тока.
Обычно
индуктивность Lф в однополупериодных схемах не применяют, а
используют в двухполупериодных:

Разновидности
сглаживающих фильтров:

LC- RC-фильтры; Г-, П-,
Т- образные фильтры.
4. Внешние характеристики
выпрямителей
Сопротивление
нагрузки Rн при работе изменяется, что вызывает изменение
нагрузочного тока Iн.
Трансформаторы
и вентили (диоды) имеют определенные величины активных сопротивлений Rтр
и Rпр. На этих сопротивлениях происходит падение напряжения от тока
Iн, приводящее к изменению напряжения на нагрузке Uн.
Внешняя
характеристика выпрямителя Uн(Iн).
,
где Uхх
– выпрямленное напряжение при Iн=0;
- среднее
значение падения напряжения на сопротивлении диода в прямом направлении;
- среднее
значение падения напряжения на активном сопротивлении вторичной обмотки
трансформатора.
Внешняя
характеристика определяет границы изменения нагрузочного тока, при котором
выпрямленное напряжение не снижается ниже допустимой величины.

1 –
выпрямитель без фильтра (характеристика нелинейна из-за Rпр);
2 –
Выпрямитель с емкостным фильтром;
В режиме ХХ
(Iн=0) выпрямленное напряжение равно амплитудному значению Umхх,
а без фильтра – среднему значению.
Для
однополупериодного выпрямителя
;
Для
двухполупериодного -
.
При росте
тока нагрузки кривая 2 падает более резко, поскольку падение происходит также
за счет более быстрого разряда конденсатора на меньшее сопротивление, что
снижает напряжение на нагрузке.
3 –
Выпрямитель с Г-образным RC-фильтром. Дополнительное снижение напряжения
вызвано падением напряжения на последовательно включенном резисторе Rф.
|