Реферат: Микропроцессорные системы автоблокировки
Реферат: Микропроцессорные системы автоблокировки
1. Микропроцессорные системы
автоблокировки. Микропроцессорная система автоблокировки АБ-ЧКЕ
Эта система разработана для
повышения устойчивости функционирования рельсовой цепи в условиях изменяющегося
в широких пределах сопротивления изоляции, повышения надежности аппаратуры,
помехозащищенности системы контроля состояний рельсовой линии, снижения энерго-
и материалоемкости, а также эксплуатационных затрат на содержание устройств.
Система АБ-ЧКЕ функционально и электромагнитно совместима с релейной
автоблокировкой. В отличие от эксплуатируемой системы микропроцессорный
дешифратор АБ-ЧКЕ различает кодовые комбинации желтого и зеленого огней и имеет
сигнальные реле Ж, ЖЗ и 3. Это позволяет реализовать четырехзначную
сигнализацию без дополнительных пар кабеля и аппаратуры.
Конструктивно аппаратная часть автоблокировки АБ-ЧКЕ (микропроцессорный
путевой приемник МПП-ЧКЕ) выполнена в виде одного металлического блока
размерами 230x330x270 мм и массой, не превышающей 5 кг. На раме блока
размещаются съемные узлы, которые в процессе эксплуатации легко можно заменить.
Масса типового элемента замены (ТЭЗ) не превышает 400 г. В состав ТЭЗ МПП-ЧКЕ
входят источник питания, ячейка запуска, схема контроля и два узла центрального
процессора.
Конструкция аппаратуры АБ-ЧКЕ позволяет проводить модернизацию устройств,
заменяя аппаратуру методом "шкаф на шкаф". МПП-ЧКЕ может быть
установлен в релейных шкафах любого типа или размещен на стативах станционных
систем централизации. После замены релейной системы на АБ-ЧКЕ заново выполнять
регулировку рельсовой цепи не требуется.
Блок микропроцессорного путевого приемника включает в себя следующие
функциональные узлы числовой кодовой автоблокировки: БИ-ДА, БС-ДА, БК-ДА, КПТ-5
(КПТ-7); трансмиттерное реле ТШ-65В и импульсное путевое реле ИМВШ-110 или ИВГ.
Путевой приемник МПП-ЧКЕ выполнен на современной элементной базе - микросхемах
средней степени интеграции серии 1533 и микропроцессорном комплекте 1821. Аппаратура
АБ-ЧКЕ рассчитана на работу при колебаниях температуры окружающей среды от
минус 45 до плюс 65 °С и относительной влажности воздуха до 95%. Расчетное
среднее время наработки на отказ 40 000 ч. Микропроцессорный путевой приемник
является универсальным. Он рассчитан для эксплуатации на участках с
электротягой постоянного и переменного тока, а также автономными видами тяги; МПП-ЧКЕ
имеет два режима работы: трансляции и приемопередачи сигналов. Как транслятор
МПП-ЧКЕ можно использовать в устройствах автоматической переездной сигнализации
и электрической централизации для кодирования станционных рельсовых цепей. Режим
и настройка МПП-ЧКЕ на кодовые комбинации, формируемые трансмиттерами КПТ-5 и
КПТ-7, выбираются коммутацией настроечных перемычек.
В МПП-ЧКЕ процедуры контроля состояния рельсовой линии, демодуляции,
декодирования и формирования сигналов выполнены на программном уровне. Полезный
сигнал обнаруживается методом поиска разладки случайного процесса. При
разработке алгоритма обнаружения учитывались результаты экспериментальных
исследований статистических характеристик дестабилизирующих факторов,
позволяющие компенсировать их мешающее воздействие на функционирование системы
КРЛ. Под разладкой понимается скачкообразное изменение свойств случайного
процесса.
Различают положительную и отрицательную разладки. Применительно к
контролю состояний рельсовых линий под положительной разладкой понимают
скачкообразное изменение амплитуды сигнала контроля в момент освобождения
рельсовой линии подвижным составом. Отрицательная разладка заключается в
скачкообразном снижении амплитуды сигнала контроля, происходящей под действием
поездного шунта или при нарушении целостности рельсовых нитей.
Из рекуррентных методов обнаружения разладки широкое распространение
нашел алгоритм кумулятивных сумм с отражающим экраном. Он представляет собой
модифицированный последовательный анализ Вальда. Правило обнаружения разладки
строится на сравнении на h-м шаге решающей статистики Sh c фиксированным порогом Uпв.
Статистика
(4.1)
где W1 (Yh\ Q 2), Wo (Yh\ Q1) - условные плотности
распределения вероятностей наличия сигнала с параметрами Q2 и Q1 в выборке {Yh}; Q1 - амплитуда сигнала на входе приемника в шунтовом, а Q2 - в нормальном режиме; {'}+ = max {О,Sh}.
Порог Uпв устанавливается исходя из требуемой
вероятности правильного фиксирования свободного состояния рельсовой линии. Таким
образом, если на h-м шаге выполняется условие Sh Uпв, принимается решение о свободном и исправном состоянии рельсовой линии.
Если Sh < Uпв, то справедливой считается
гипотеза о занятом или неисправном состоянии линии, и выполняется следующее (h + 1) - е наблюдение. Если кумулятивная сумма на произвольном шаге
отрицательна, то на следующем шаге ее значение обнуляется, что в формуле (4.1) обозначено
(+).

Рис. Диаграмма напряжений на входе путевого приемника.
 
Рис. Диаграмма решающей статистики.
Поясним работу приемника, реализующего алгоритм (4.1), на примере, когда
подвижной состав освобождает рельсовую линию и происходит переход из шунтового
режима в нормальный (рис.4.24).
В шунтовом режиме на входе решающего устройства приемника присутствует
смесь Y слабого полезного сигнала с амплитудой 6 и помех
n(t ): yh = Q1 + n(t ).
В этом случае значения функции Wo (Yh| Q1) превышают W1 (Yh| Q2), а
логарифм отношения правдоподобия ln = вследствие
случайного характера помех n(t ) с одинаковой вероятностью принимает положительные и отрицательные
значения. Согласно алгоритму (4.1) отрицательные значения кумулятивной суммы
принудительно обнуляются. Таким образом, в шунтовом режиме решающая статистика
флуктуирует около нулевого значения (рис.4.25).
В нормальном режиме на входе приемника действует смесь полезного сигнала
высокого уровня Q2 и помехи. Значения функции W1 (Yh| Q2) в произвольный h-й момент превышают величину w0 (Y | Q1). и логарифм их отношения всегда положителен. В
этом случае кумулятивная сумма (4.1) с ростом номера шага h непрерывно возрастает. После повышения решающей статистики sh порога разладки U приемник фиксирует свободное состояние рельсовой
линии. Аналогичным образом приемник работает при переходе из нормального режима
в шунтовой или контрольный.
Решение об изменении режима выносится не сразу после скачка входного
напряжения в момент времени t (см. рис.4.24 и 4.25), а по истечении некоторого
времени Тр = (hр - h1) Δ , в течение которого на
каждом шаге проверяется факт наличия полезного сигнала [Δт - интервал
квантования входной реализации; (hр - h1) - количество
отсчетов на обнаружение разладки случайного процесса]. Значение величины (h - h1) равно 4-5.
В течение временного интервала Тр на каждом отсчете hi є [h1, hp] приемник анализирует процесс накопления кумулятивной суммы. Если такой
процесс происходит, то после превышения решающей статистики sh порога Unв принимается решение об изменении режима работы
рельсовой цепи. Процесс накопления кумулятивной суммы sh
аналогичен сглаживанию реализации сигнала Y(th). Благодаря этому свойству исключаются ситуации ложного срабатывания
приемника под действием случайных импульсных помех или при кратковременной (до
3 - 10 с) потере поездного шунта.
Для повышения устойчивости работы автоблокировки при изменении в широких
пределах сопротивления балласта приемник МПП-ЧКЕ дополнен адаптивным алгоритмом
обработки сигналов, обеспечивающим автоматическую регулировку порога
обнаружения и коэффициента возврата. Приемник МПП-ЧКЕ имеет следующие рабочие
характеристики: вероятность ложного срабатывания при пороге обнаружения
разладки равна восьми и при соотношении "сигнал/помеха", равном трем,
не превышает 10 .
Вход приемника соединен с рельсовой линией через дроссель-трансформатор
ДТ-0,2 (ДТ1-150) и устройство защиты и согласования УЗС. В качестве УЗС
используется защитный блок-фильтр ЗБФ-1 при электрической тяге постоянного тока
или полосовой фильтр ФП-25 (ФП-75) на участках с тягой переменного тока. Для
защиты МПП-ЧКЕ от грозовых перенапряжений на его входе (до фильтров) включен
электронный блок защиты БЗЭ-1 с порогом ограничения напряжения 70 В.
Структурно микропроцессорный путевой приемник системы автоблокировки
АБ-ЧКЕ выполнен по схеме "два по два" (рис.4.26). Он состоит из двух
двухкомплектных каналов и интерфейсного модуля ИМ. Каждый канал содержит два
узла ЦП1 и ЦП2 центрального процессора и схему контроля СК. В интерфейсный
модуль входят: узел выбора канала и перезапуска; бесконтактный коммутатор тока
БКТ; схемы контроля передаваемой кодовой комбинации и контроля целостности
нитей накала светофорных ламп, а также схема сопряжения с аппаратурой системы
частотного диспетчерского контроля.
Нормально оба канала МПП-ЧКЕ находятся в рабочем состоянии. Один из них
является ведущим (на рис.4.26 слева), а другой - ведомым. Ведущий канал через
узел выбора и перезапуска ИМ подключен к рельсовой линии, сигнальному реле,
бесконтактному коммутатору тока и камертонному генератору ГК-6 системы
частотного диспетчерского контроля. При исправных аппаратных средствах этот
канал выполняет технологический алгоритм обработки информации сигнальной точки
автоблокировки.
После демодуляции и декодирования принятого сигнала возбуждаются
соответствующие сигнальные реле (Ж, ЖЗ или 3). Для повышения помехозащищенности
при дешифрировании кодовых комбинаций Ж или 3 реле ЖЗ или 3 срабатывает при
условии одинакового приема не менее трех кодовых циклов. Выключение
сигнальных реле при скачкообразном уменьшении полезного сигнала под действием
поездного шунта осуществляется сразу, а при смене кодирования - в конце
последней принятой кодовой комбинации. Таким образом, инерционность системы
АБ-ЧКЕ, определяемая как интервал времени между моментами изменения сигнала в
рельсовой линии и смены показания проходного светофора, не превышает 3-4 с.
В МПП-ЧКЕ реализован метод
приема сигналов в целом. Суть его состоит в следующем. В ПЗУ декодера хранятся
эталонные кодовые комбинации, используемые в системе автоблокировки. В процессе
декодирования принимаемый сигнал сравнивается с контрольным. Для идентификации
кодовой комбинации временные различия длительностей импульсов, интервалов и
цикла между эталонным и принятым сигналами не должны превышать 0,05 с. Если
кодовые комбинации не совпадают или разница длительностей посылок превышает
0,05 с, осуществляется отбраковка сигнала. В противном случае происходит
выполнение команды - возбуждение соответствующих сигнальных реле.

Рис. Структурная схема системы
АБ-ЧКЕ
В процессе функционирования МПП-ЧКЕ с контрольных точек ЦП1 и ЦП2 обоих
каналов через специальные узлы сжатия данных на входы схем контроля СК подаются
тестовые сигналы, которые сравниваются. При рассогласовании комплектов СК
перезапускает их, контролируя восстановление синхронности функционирования. Сбой
или неисправность в ведущем канале одновременно фиксируется схемой выбора,
которая реконфигурирует структуру МПП-ЧКЕ, переключая его выходы на ведомый. Для
восстановления работоспособного состояния неисправного канала в приемнике
используется восемь импульсов перезапуска. Если в течение этой серии импульсов
канал не начнет нормально функционировать, схема рестарта прекращает работу, а
выходы МПП-ЧКЕ остаются подключенными к ведомому каналу. По системе частотного
диспетчерского контроля на станцию передается информация о предотказном
состоянии МПП-ЧКЕ. Для этого в интерфейсном модуле приемника имеется
специальная ключевая схема, обеспечивающая сопряжение аппаратуры МПП-ЧКЕ с
камертонным генератором ГК-6 системы ЧДК. Если от импульсов запуска
восстанавливается синхронная работа комплектов, то вновь запущенный ведущий
канал подключается к выходам МПП-ЧКЕ.
В блоке МПП-ЧКЕ предусмотрен контроль целостности нитей накала ламп
проходного светофора. Наличие этой информации позволяет на программном уровне
осуществлять функции переноса красного огня, изменять кодирование при
перегорании ламп разрешающих огней на светофоре в соответствии с требованиями
Инструкции по сигнализации на железных дорогах Российской Федерации.
В интерфейсном модуле с помощью БКТ осуществляется модуляция сигнала,
питающего рельсовую цепь, а также контроль правильности передаваемой кодовой
комбинации. Для включения сигнальных реле Ж, ЖЗ и 3 в блоке ИМ имеются три
усилителя мощности, обеспечивающие необходимое напряжение (10-12,5 В) для
срабатывания реле. В качестве сигнальных используются нейтральные реле
АНШ2-1230.
Для удобства обслуживания
аппаратуры АБ-ЧКЕ на лицевой панели корпуса МПП-ЧКЕ установлены световые
индикаторы, сигнализирующие о наличии питающего напряжения и рабочем состоянии
ведущего и ведомого каналов. По характеру мигания световых индикаторов,
включенных на входе и выходе МПП-ЧКЕ, можно судить о принимаемой и формируемой
кодовых комбинациях.
2. Микроэлектронная система
автоблокировки АБ-Е1
В состав аппаратуры сигнальной точки автоблокировки входят: блоки
приемопередатчиков непрерывного канала связи (БПП-НКС) и системы передачи
информации по проводной линии связи (БПП-СПИ); микропроцессорный путевой
приемник (МПП); устройства защиты и согласования с рельсовой линией (УЗС) и
проводной линией связи (УЗСЛ). УЗС включает в себя трансформатор усилителя
мощности БПП-НКС (ТКУ), дроссель согласования (ДС), электронный блок защиты
(БЗЭ) и блоки конденсаторов БК-1 и БК-2. Конструктивно микроэлектронная
аппаратура автоблокировки выполнена в виде металлических корпусов, внутри
которых размещаются типовые элементы замены. Размеры аппаратуры АБ-Е1 таковы: БПП-НКС
и БПП-СПИ - 500x332x230 мм; МПП - 420x332x230мм; УЗСЛ - 195x120x140мм; блоки
ДС, БК-1, БК-2 и ТКУ-145x120x115 мм.
Автоблокировка АБ-Е1 функционально и электромагнитно совместима с
автоматической локомотивной сигнализацией АЛС-ЕН.
Для повышения устойчивости функционирования системы КРЛ в условиях
воздействия дестабилизирующих факторов обработка полезных сигналов в приемнике
осуществляется по алгоритму кумулятивных сумм. Благодаря его применению удалось
обеспечить устойчивую работу рельсовой цепи длиной 2500 м при колебаниях
сопротивления балласта от 50 до 0,45 Ом·км.
Проблема обеспечения безопасности микроэлектронных аппаратных средств
автоблокировки решается применением: трехкомплектного резервирования
стандартных модулей, выполняющих одинаковые функции; мажоритарной структуры
построения для обнаружения неисправного или отказавшего комплекта; жесткой
синхронизации и потактного сравнения сигналов в контрольных точках различных
комплектов; специальных устройств контроля с односторонними отказами,
обеспечивающих надежное отключение неисправного комплекта и последующий его
ввод в работу.
В системе АБ-Е1 использован один непрерывный частотный канал (НКС) с
несущей 174,38 Гц. Передача информации осуществляется в результате двукратной
фазоразностной манипуляции и кодирования сообщений модифицированным кодом
Бауэра.
Структура организации кодового цикла параллельная: по одному подканалу
передаются кодовые комбинации (КК), а по другому - сигналы цикловой
синхронизации (ЦС) в виде синхрогрупп (СГ). Применение двукратной ФРМ позволяет
повысить помехоустойчивость в 2 раза по сравнению с амплитудной модуляцией. Использование
комбинаций кода Бауэра в информационном и синхроподканалах обеспечивает
эффективную кодовую защиту.
В структурной схеме двух сигнальных точек микроэлектронной автоблокировки
АБ-Е1 (рис.4.27) показаны: блоки приемопередатчиков сигналов непрерывного
канала связи и системы передачи информации по линейной цепи; микропроцессорный
путевой приемник; устройство защиты и согласования с рельсовой линией;
Рис. Структурная схема двух сигнальных точек микроэлектронной
автоблокировки АБ-Е1.
Путевое МП, сигнальные реле 30, 31, 32, реле двойного снижения напряжения
ДСН и извещения о приближении поездов ИП1-ИПЗ. Все перечисленные реле
нейтральные АНШ2-1230.
Приемник МПП предназначен для контроля состояния рельсовой линии. При ее
свободном и исправном состоянии возбуждается реле МП. Если рельсовая линия
занята подвижным составом или неисправна, то реле МП обесточено.
Блок БПП-НКС предназначен для демодуляции и декодирования ФРМ-сигналов,
управления сигнальными реле, формирования и усиления сигналов, передаваемых в
рельсовую цепь соседнего блок-участка. Блок БПП-НКС рассчитан на подключение
четырех сигнальных реле. Однако реально в БПП-НКС используются только три: 30,
31 и 32. Настройка блоков приемопередатчиков для формирования синхрогрупп и
кодовых комбинаций в зависимости от числа свободных блок-участков и разрешенной
скорости движения осуществляется настроечными перемычками НП.
Устройство УЗС разработано с учетом обеспечения требований электромагнитной
совместимости системы АБ-Е1 с аппаратурой автоблокировки числового кода.
Питание микроэлектронных; блоков БПП-НКС, БПП-СПИ и МПП осуществляется
через понижающие трансформаторы ТП (ПОБС-5А). Для защиты устройств от
воздействия импульсных помех по цепям питания в первичные обмотки ТП включены
сетевые фильтры СФ. Электроснабжение сигнальной точки автоблокировки
осуществляется от высоковольтной линии. Мощность, потребляемая одиночной
сигнальной точкой, не превышает 80 В·А.
Приемник-МПП выполнен по двухкомплектной схеме с жесткой синхронизацией (рис.4.28).
Каждый комплект содержит модули центрального процессора ЦП1, ЦП2 и сигнатурные
анализаторы СА. Контроль правильности функционирования МПП осуществляет однокаскадная
схема контроля СК. Первоначальный запуск приемника и синхронизация ЦП1 и ЦП2
осуществляет узел запуска УЗ. Входные цепи приемника содержат: полосовой фильтр
ПФ, детектор огибающей Д, интегратор И и аналого-цифровой преобразователь АЦП.
Рассмотрим работу приемника. Полезный сигнал с выхода рельсовой линии
через полосовой фильтр ПФ поступает на детектор огибающей, где выпрямляется,
сглаживается в интеграторе И и затем с помощью АЦП квантуется по амплитуде и
дискретизируется по времени. Значения сигнала в двоичной форме по шине данных
ШД подаются на входные порты узлов ЦП1, ЦП2 обоих комплектов.

Рис. Структурная схема микропроцессорного путевого приемника системы
АБ-Е1.
Поступившие данные обрабатываются в соответствии с хранящимся в ПЗУ
алгоритмом. Если после выполнения расчетов значение решающей статистики
превысит порог, то на шинах У1 и У2 появляются управляющие импульсы напряжения,
открывающие входы схемы контроля. В этом случае контрольный сигнал V частотой 89,9 кГц с выхода узла запуска через СК подается на усилитель
мощности УМ для включения реле МП. Если кумулятивная сумма не превышает порога,
то сигналы на выходах У1 и У2 отсутствуют, а якорь реле МП отпущен.
В процессе нормального функционирования приемника с контрольных точек
узлов ЦП1 и ЦП2 по информационным шинам ИШ на схему сигнатурного анализатора СА
подаются тестовые сигналы. СА формирует общие контрольные сигналы 1КТ, , 2КТ и 2,
характеризующие работоспособность узлов ЦП1 и ЦП2. Если формы сигналов , 1КТ и 2КТ, совпадают, то
схема контроля фиксирует правильную работу комплектов. Свечение индикаторных светодиодов
ЧО к ПО свидетельствует об исправном состоянии приемника. В противном случае
фиксируется сбой. На выходах Диагностика 1 и Диагностика 2 появляются
управляющие импульсы, воздействующие на узел запуска УЗ, который с заданной
выдержкой времени формирует управляющие импульсы Запуск 1 и Запуск 2 для
восстановления работоспособного состояния комплектов приемника. Если в
результате воздействия этих импульсов нормальное функционирование приемника
восстанавливается, то управляющие сигналы Диагностика 1 к Диагностика 2
снимаются. В противном случае, когда отказ в одном из каналов приемника
устойчивый и восстановления работоспособного состояния приемника не происходит,
ячейка защиты ЯЗ отсчитывает восемь импульсов запуска и останавливается. Приемник
переходит в устойчивое положение безопасного отказа.
При первом включении питания, а также после перерывов электроснабжения
работоспособное состояние приемника восстанавливается узлом запуска по шинам
Запуск 1 и Запуск 2. После включения напряжения на этих шинах появляется
последовательность импульсов, устанавливающая микропроцессорные комплекты узлов
ЦП1 и ЦП2 в исходное состояние. С этого момента начинается нормальное
функционирование приемника МПП.
Номенклатура ТЭЗ МПП такая: узел центрального процессора и ячейки
запуска, узел схемы контроля, источник питания и полосовой фильтр.
Блок БПП предназначен для приема, обработки, формирования и передачи
информации. Он имеет два варианта исполнения. В первом варианте БПП рассчитан
для работы по рельсовой линии - БПП-НКС, во втором - по проводной линии связи -
БПП-СПИ. При работе по непрерывному каналу связи используется несущая частота
174,38 Гц, а при работе с системой передачи информации - 2790 Гц.
Блок БПП имеет троированную мажоритарную структуру с аппаратным резервированием
(рис.4.29). Мажоритарный принцип построения аппаратуры предполагает сравнение
результатов функционирования комплектов аппаратуры и принятие решения о
правильности работы устройства в целом методом голосования по большинству
одинаково работающих узлов. Например, в системе АБ-Е1 принято, что
микроэлектронные блоки автоблокировки отвечают требованиям безопасности, если в
процессе работы как минимум два комплекта из трех показывают одинаковые
результаты выполнения алгоритма обработки сигналов.
Блок БПП-НКС выполнен на элементах жесткой логики с применением микросхем
малой и средней степеней интеграции серий 133, 1533. В состав БПП входят
полосовой фильтр ПФ, усилитель-ограничитель УО, трехкомплектные модем и кодек,
схема контроля и модуль диагностики СК и МД, ячейка запуска ЯЗ и синтезатор
частот.

Рис. Структурная схема приемопередатчика системы АБ-Е1
Полосовой фильтр ПФ в зависимости от исполнения БПП настроен на несущую
частоту канала 174,38 или 2790 Гц. Усилитель-ограничитель обеспечивает
формирование сигнала TTL-уровня, необходимого для работы микросхем. Этот
сигнал подается на входы трех комплектов демодулятора. Демодуляция ФРМ-сигнала
осуществляется по методу однократной пробы. Измерение разности фаз сводится к
оценке временного интервала между фронтами информационных сигналов,
соответствующих максимуму отношения "сигнал/помеха" в течение
элементарной посылки ФРМ-сигнала.
На выходах демодуляторов образуются последовательные кодовые комбинации. По
первому подканалу передаются синхрогруппы СГ, а по второму - кодовые комбинации
КК. По фронту сигнала тактовой синхронизации ТС принимается решение о разности
фаз между соседними посылками кодовых комбинаций.
Обработка информации непрерывного канала связи в БПП сводится к выделению
сигнала цикловой синхронизации (ЦС), обеспечению кодовой защиты от сигналов
соседних блок-участков по сигналу ЦС, декодированию КК, принятию решения об
информационном значении КК, формированию управляющего сигнала для возбуждения
сигнальных реле, формированию кодовых комбинаций в первом и втором фазовых
подканалах в соответствии с поездной ситуацией.
Поступающие по 1ПК и 2ПК данные декодер ДК преобразует из
последовательной формы в параллельную и обеспечивает сравнение принятых кодовых
комбинаций с контрольными, хранящимися в ПЗУ: Для "разрешенных"
синхрогрупп осуществляется декодирование кодовой комбинации, которая затем
преобразуется в информационную последовательность, соответствующую количеству
свободных блок-участков. Эта последовательность по шине управления реле ШУР
подается на схему контроля для включения сигнальных реле 30, 31, 32, а также по
шинам выбора кода ШВК и синхрогруппы ШВС на датчик кодовых комбинаций ДКК для
формирования сигналов, передаваемых в рельсовую цепь соседнего блок-участка.
Датчик кодовых комбинаций ДКК преобразует входную информацию в
последовательную для передачи по двум подканалам: D1
(синхрогруппы) и D2 (кодовые комбинации). Эти данные поступают на
модулятор М. ФРМ-сигнал подается на усилитель мощности УМ, выход которого через
устройства защиты и согласования УЗС подключен к передающему концу рельсовой
цепи.
Схема контроля осуществляет контроль синхронности работы трех комплектов
БПП. При исправности комплектов контрольные сигналы КТ и идентичны. Если
произошел сбой в одном из комплектов, то БПП реконфигурирует и продолжает
работать в двухкомплектном составе. СК фиксирует возникшую неисправность и с
помощью модуля диагностики осуществляет перезапуск комплектов. В процессе
восстановления работоспособного состояния отказавшего комплекта информация на
выходах БПП не теряется. Если отказавший комплект не восстанавливается, то СК
после восьми импульсов перезапуска отключает выходы неисправного комплекта. Погашенное
состояние светодиода "Частичный отказ" свидетельствует о предотказном
состоянии БПП. На передней панели блока осуществляется индикация номера
отказавшего комплекта. При возникновении отказов в одном из оставшихся или
обоих комплектах происходит переход схемы в защитное состояние. Тогда все
выходы БПП отключаются. Гаснет светодиод "Полный отказ",
свидетельствующий о полной неработоспособности БПП.
Синтезатор частот вырабатывает сигналы рабочих частот, используемые для
работы узлов БПП: 64fн - сигнал тактовой частоты для основных узлов
БПП; U-сигнал контрольной частоты; F3 - сигнал запуска, с помощью которого осуществляется перезапуск
комплектов.
Конструктивно узлы БПП размещены на четырех типовых элементах замены. ТЭЗ
включают в себя: полосовой фильтр, три узла модемов и кодеков, ячейку запуска,
схему контроля, источник питания вместе с усилителем мощности.
Питание рельсовых цепей (рис.4.30) осуществляется навстречу движения поездов
для того, чтобы передаваемую информацию могли воспринимать локомотивы,
оборудованные системой АЛС-ЕН. Для пропуска тягового тока в обход изолирующих
стыков на границах рельсовых цепей устанавливают дроссель-трансформаторы ДТ-0,6
и ДТ-0,2 при электротяге постоянного тока и ДТ1-150 на участках, оборудованных
системой тяги переменного тока. Для защиты аппаратуры питающих концов от
перенапряжений, возникающих при грозовых разрядах и коротких замыканиях
контактной сети, служат разрядники FU (РВНШ-250). В рельсовых
цепях участков переменного тока дополнительно устанавливается автоматический
выключатель многоразового действия QF(ABM-1).
На релейных концах для защиты отмешающего воздействия импульсных помех на
микропроцессорный путевой приемник, кроме рассмотренных устройств,
устанавливается электронный блок защиты БЗЭ-1 с гасящим резистором R1.

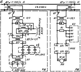
Рис.а. Принципиальная схема рельсовой цепи автоблокировки АБ-Е1 при
электротяге постоянного тока
Питание рельсовой цепи рабочими сигналами осуществляется от усилителя
мощности УМ (см. рис.4.29) приемопередатчика, нагрузкой которого служит
питающий трансформатор ПТ (ТКУ). Напряжение на выходе ПТ регулируется с
использованием секционированной вторичной обмотки. Трансформатор ДС выполнен на
ленточном сердечнике с зазором 0,5 мм, что исключает возможность его насыщения
при больших электрических нагрузках. Емкость Сп блоков конденсаторов БК-1 и
БК-2 совместно с обмоткой дросселя согласования ДС образуют последовательный
колебательный контур, настроенный в резонанс на несущую частоту рабочего
сигнала. Добротность этого контура на рабочей частоте составляет 8-10 единиц. Такая
схема включения улучшает условия передачи сигналов в рельсовую линию и
обеспечивает защиту выхода усилителя мощности от перегрузки при шунтировании
поездом питающего конца рельсовой цепи благодаря расстройке последовательного
контура, состоящего из конденсатора Сп и обмоток дросселя согласования ДС1.
Модули входных сопротивлений передатчика системы АБ-Е1 на частотах 50 и
25 Гц со стороны обмоток ХР1 1-1, 1-3 (рис.4.30, а) и ХР2 2-10, 2-12 (рис.4.30,
6) равны 6 и 5,2 Ом соответственно. Это позволяет достаточно просто
обеспечить электромагнитную совместимость автоблокировки числового кода и АБ-Е1.
В схеме рельсовой цепи для участков с электрической тягой постоянного тока
передатчик сигналов АЛСН подключается параллельно конденсаторам С011, С02. Результирующее
сопротивление для рабочего сигнала АБ-Е1 равно 22 Ом, а сопротивление рельсовой
линии со стороны дополнительной обмотки дроссель-трансформатора составляет 230
Ом. Поэтому потери мощности полезного сигнала на передатчике АЛСН незначительны.

Рис.б. Принципиальная схема рельсовой цепи автоблокировки АБ-Е1 при
электротяге переменного тока.
В схеме рельсовой цепи включение питающей аппаратуры аналогично. Для
исключения взаимных влияний передатчик сигналов числового кода зашунтирован
последовательным колебательным контуром Lф-Сф,
настроенным в резонанс на частоту 174,38 Гц. Сопротивление этого контура на
рабочей частоте равно 50 Ом, а на частоте 25 Гц - 4 кОм. Дроссель Lф имеет индуктивность 0,55 Гн, а емкость конденсатора Сф = 1,5 мкФ.
Для сопряжения сопротивления аппаратуры с рельсовой линией на обоих
концах рельсовой цепи (см. рис.4.30, а) включены согласующие трансформаторы с
коэффициентом трансформации 1,82 на передающем и 4 на релейном концах. При
электрической тяге переменного тока согласование сопротивлений осуществляется с
помощью изолирующих трансформаторов ИТ1 и ИТ2 (ПРТ-А). Коэффициент
трансформации ИТ2 увеличен до 20,7 для получения требуемого значения
сопротивления приемного конца.
В системе автоблокировки АБ-Е1 каждому блок-участку перегона
присваивается одна из четырех синхрогрупп - СГ1, СГ2, СГЗ, СГ4. В четном
направлении движения принято использовать СГ2 и СГ4, а в нечетном - СГ1 и СГЗ. В
рельсовых цепях соседних блок-участков для обеспечения защиты от схода
изолирующих стыков синхрогруппы чередуются.
Для передачи информации в системе АЛС-ЕН и управления проходными
светофорами автоблокировки используются 16 кодовых комбинаций.
При кодовых комбинациях 0 и 1 возбуждено сигнальное реле 30, при 2, 3,5,
7,9,12 - реле 30 и 31, при 4, 6, 8, 10, 13, 15 - репе 30 - 32, при 11 и 14 - реле
30 - 33.
При разработке проекта оборудования участка железной дороги системами
АБ-Е1 и АЛС-ЕН, как правило, используется только часть из приведенных выше
кодовых комбинаций.
Рассмотрим работу системы автоблокировки (см. рис.4.27). Выполнение
нормального, шунтового и контрольного режимов работы рельсовой цепи
осуществляется микропроцессорным путевым приемником. При исправном и свободном
состоянии рельсовой линии ЗРЦЗ на входе приемника ЗМПП действует полезный
сигнал высокого уровня (примерно 3 В). После вычислений в соответствии с
алгоритмом (4.1) и при условии исправного состояния комплектов МПП возбуждается
путевое реле ЗМП. Контактами 31-32 МП вход приемопередатчика 1БПП-НКС
подключается к рельсовой линии РЦЗ. В блоке 1БПП-НКС принятый сигнал
демодулируется и декодируется. Блок 1БПП-НКС настроен на прием и дешифрирование
кодовых сигналов совместно с синхрогруппой СП. Если в принятом сигнале, кроме
разрядов кодовой комбинации, содержится первая синхрогруппа, то весь сигнал
декодируется. В результате на выходе блока 1БПП-НКС возбуждается сигнальное
реле 30, соответствующее свободности одного блок-участка. Фронтовыми контактами
51-52 реле ЗМП и 30 на светофоре HI включается лампа желтого
огня. Горение лампы контролируется реле ЖО. В блоке БПП-НКС сигнальной точки 1
формируется комбинация КК7, соответствующая свободности одного блок-участка. В
рельсовую цепь РЦ1 перед светофором HI передается кодовая
комбинация 7 совместно с синхрогруппой ЗСГЗ.
После освобождения поездом рельсовой цепи РЦ5 на путевом светофоре НЗ
зажжется лампа желтого огня. В рельсовую цепь РЦЗ передается КК7 совместно с СП.
При исправной рельсовой цепи блок приемопередатчика 1 БПП-НКС расшифрует
принятый сигнал и на его выходе дополнительно возбуждается реле 31. На светофоре
HI одновременно горят лампы желтого и зеленого
огней по цепям: Су 12,11-12 ДСН, 21-82 ЖО, 51-52 ЗМП, 51-52 30, 31-33 32, лампа
желтого огня, МСу; Су 12, 11-12ДСН, 21-82 03, 31-32 ЗМП, 31-32 30, 11-12 31,
11-12 ЖО, лампа зеленого огня, МСу. Контроль лампы зеленого огня осуществляется
реле ОЗ. В рельсовую цепь РЦ1 передается кодовая комбинация КК10,
соответствующая показанию светофора "желтый и зеленый огни". При
приеме кодовой комбинации КК10 на выходе БПП возбуждаются сигнальные реле 30, 31.32.
На светофоре горит лампа зеленого огня, а в рельсовую цепь блок-участка перед
светофором передается кодовая комбинация КК13.
В шунтовом режиме работы рельсовой цепи вход блока БПП-НКС отключен от
рельсовой цепи фронтовым контактом реле МП. Для проверки работоспособности
блока и исключения возможности накопления необнаруживаемых отказов в комплектах
блока БПП на его вход через тыловой контакт реле МП подается тестовый сигнал,
позволяющий контролировать исправное функционирование приемопередатчика.
Для передачи информации о приближении поездов к станции или переезду, а
также для выполнения команды о двойном снижении напряжения питания ламп
светофора на каждой сигнальной точке перегона устанавливается блок БПП-СПИ.
Блок БПП-СПИ подключается к линейной цепи Л-ОЛ через устройство зашиты и
согласования УЗСЛ. С вступлением поезда за светофор НЗ обесточивается реле 5МП
и своим контактом 51-52 управляет схемой выбора номера кодовой комбинации,
формируемой для передачи в линию связи 5Л. На сигнальной точке эта информация
воспринимается и в зависимости от места положения поезда возбуждаются
сигнальные реле извещения приближения ИП1-ИПЗ. В системе АБ-Е1 извещение о
приближении поезда передается за три блок-участка. К четвертому выходу блока
БПП-СПИ подключено реле ДСН. Команду на снижение напряжения питания ламп
светофора подает дежурный по станции отправления поездов. Для этого он нажимает
кнопку ДСН, от которой после передачи кодового сигнала по линии Л-ОЛ на всех
сигнальных точках перегона обесточиваются реле ДСН.
В системе АБ-Е1 защита отложного срабатывания аппаратуры при сходе
изолирующих стыков и подпитки с соседних путей осуществляется по форме сигналов.
Для этого в смежных и соседних блок-участках используются различные
синхрогруппы, обладающие "хорошими" корреляционными свойствами. Максимальный
выброс нормированной взаимной корреляционной функции не превышает 0,3, а
кодовое расстояние между ними равно 4. При сходе изолирующих стыков у светофора
HI от сигнала передатчика 1БПП-НКС срабатывает
путевой приемник этой же сигнальной точки - ЗМПП и возбуждается путевое реле
ЗМП. Фронтовым контактом 31-32 ЗМП вход приемника 1БПП-НКС исключается к
рельсовой, линии РЦЗ. Однако кодовые комбинации в блоке 1БПП-НКС не
дешифрируются, поскольку его настройка не совпадает с принимаемой синхрогруппой
3. Сигнальные реле 30-32 остаются без тока. На проходном светофоре HI горит красный огонь.
Перенос запрещающего показания при перегорании лампы красного огня
осуществляется схемой, собранной на контактах второй группы реле 30, МП и КО. При
занятом блок-участке РЦ5 реле ЗО и 5МП обесточены. Сигнал с выхода передатчика
ЗБПП-НКС подается в рельсовую линию РЦЗ через фронтовой контакт КО. При обрыве
нити накала лампы красного огня контактом КО размыкается цепь питания рельсовой
цепи РЦЗ. На светофоре HI загорается красный огонь.
|