Реферат: Конструктивно-технологические разновидности МДП-транзисторов
Реферат: Конструктивно-технологические разновидности МДП-транзисторов
БЕЛОРУССКИЙ ГОСУДАРСТВЕННЫЙ УНИВЕРСИТЕТ ИНФОРМАТИКИ И РАДИОЭЛЕКТРОНИКИ
Кафедра РЭС
РЕФЕРАТ
На тему:
«КОНСТРУКТИВНО-ТЕХНОЛОГИЧЕСКИЕ РАЗНОВИДНОСТИ МДП-ТРАНЗИСТОРОВ»
МИНСК, 2008
Конструкции МДП-транзисторов в
микросхемах с алюминиевой металлизацией. Вариант конструкции активного
транзистора с прямоугольным каналом и со средним значением крутизны
передаточной характеристики представлен на рис.1. Под алюминиевым затвором
находится тонкий слой термически выращенного окисла кремния (0,05...0,10 мкм. За
пределами области канала толщина окисла составляет 1 мкм. Этот сравнительно
толстый слой окисла выполняет функции защитного диэлектрика, позволяет
существенно снизить значения паразитных емкостей сигнальных шин и повысить
пороговое напряжение паразитных МДП-транзисторов (рис.1) в местах прохождения алюминиевых
проводников над диффузионными шинами питания.


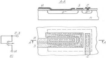
Рис.6.1 Чертеж топологии (а) и
электрическая схема (б) паразитного транзистора.

Рис.1 Конструкция (а) и
электрическая схема (б) нагрузочного р-канального МДП-транзистора
Рис.2 Конструкция
МДП-транзистора с П-образным каналом
В нагрузочных транзисторах
значение крутизны передаточной характеристики может быть небольшим, и
соответственно отношение длины канала к его ширине выбирается таким, чтобы при
заданной крутизне нагрузочный транзистор занимал минимальную площадь (рис.1). В
том случае, когда для обеспечения высоких значений крутизны характеристик
активного транзистора отношение bк/lК
должно быть равно или больше 20, с целью экономии площади рекомендуется
П-образная форма канала (рис.2).
Для повышения степени интеграции
в микросхемах, требующих последовательного и параллельного соединения
транзисторов, области истоков или стоков МДП-транзисторов могут быть объединены
(рис.3). На рис.4 приведена конструкция инвертора, в которой диффузионная
область стока активного VT1 и истока нагрузочного VT2 МДП-транзисторов объединены.
Освоение производства
р-канальных МДП-транзисторов с индуцированным каналом и алюминиевым затвором
позволило получить следующие параметры МДП-структур: минимальная длина канала
10...12 мкм (по затвору 20 мкм), глубина залегания р-п переходов 2,5 мкм,
боковая диффузия под окисел 2 мкм, толщина подзатворного диэлектрика 0,12...0,15
мкм, напряжение питания 12 В, пороговое напряжение (-4+0,5) В, удельное
поверхностное сопротивление диффузионных областей истока и стока и диффузионных
шин 50...100 Ом/т, пробивное напряжение р-п переходов областей истока и стока
свыше 30 В, пороговое напряжение паразитных транзисторов свыше 40 B, подвижность дырок в канале около 200 см2/(B·c), плотность поверхностных
состояний 1011…1012 см–2.

Рис 3. Фрагменты топологии (а, в)
и электрические схемы (б, г) при параллельном (а, б) и последовательном (в, г) включении
транзисторов.


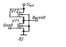
Рис.4. Конструкция (а) и
электрическая схема (б) инвертора на МДП-транзисторах с нелинейной нагрузкой и
алюминиевой металлизацией.
На таких структурах были созданы
одни из первых логических интегральных МДП-микросхем с минимальным временем
задержки на вентиль 80...100 нс и основным показателем качества микросхем - произведением
мощности на задержку 60...80 пДж. Хорошо отработанная технология производства и
меньшая стоимость способствуют тому, что микросхемы на р-МДП-транзисторах
выпускают до сих пор, несмотря на худшие характеристики.
Усовершенствование
технологических операций, в первую очередь тех, которые направлены на снижение
встроенного в окисле заряда и плотности поверхностных состояний, привело к
созданию интегральных n-канальных МДП-транзисторов. Преимуществами
микросхем на таких транзисторах являются: повышенное в 2...3 раза
быстродействие, совместимость по знаку и уровню питающего напряжения с
ТТЛ-микросхемами на биполярных транзисторах.
Применение кремниевых подложек с
рабочей поверхностью, ориентированной по кристаллографической плоскости (100),
приводит к уменьшению плотности поверхностных состояний до 1011 см–2 и к еще
большему снижению порогового напряжения.
Возможности управления пороговым
напряжением расширяются, если использовать многослойный подзатворный диэлектрик.
В этом случае в игру вступают дополнительный заряд на границе диэлектриков,
объемный встроенный заряд дополнительного диэлектрика, заряд, обусловленный
поляризацией диэлектриков.
МНОП-транзисторы. Одним из
вариантов МДП-транзистора с многослойным диэлектриком является структура металл
- нитрид кремния - окисел кремния - полупроводник (сокращенно - МНОП). Пленка
нитрида кремния обладает высокой пассивирующей способностью (поскольку скорость
дрейфа положительных ионов в нитриде на несколько порядков меньше, чем в окисле)
и более высокой диэлектрической проницаемостью. Уже одно это позволило бы
снизить пороговое напряжение на 1...1.5. В и повысить удельную крутизну.
Однако использовать один только
нитрид кремния в качестве подзатворного диэлектрика оказалось невозможно из-за
появления заряда на границе раздела кремний - нитрид кремния, зависящего от
напряжения на затворе. Это приводит к непостоянству порогового напряжения
приборов и к его гистерезису.
Использование МНОП-структуры
позволило получить приборы, в которых эквивалентная толщина диэлектрика
уменьшается примерно в полтора раза, пороговое напряжение снижается в среднем
на 1 В. Эта же МНОП-структура при толщине пленки SiO2
0,005 мкм (5 нм) может быть использована в качестве элемента памяти в ППЗУ с
электрическим стиранием и записью информации.
МОАП-транзисторы. Использование
А12Оз в качестве второго подзатворного диэлектрика обусловлено его способностью
создавать на границе с SiO2 встроенный отрицательный
заряд, что позволяет получать n-канальные приборы с
индуцированным каналом, работающие в режиме обогащения при пороговом
напряжении, примерно равном +1 В.
Конструкции МДП-транзисторов с
поликремниевыми затворами. В МДП-транзисторах с алюминиевым затвором имеются
значительные по площади области перекрытия затвора с областями истока и стока
(см. Рис.6.1), что, с одной стороны, необходимо для надежного обеспечения
формирования канала транзисторов, с другой - приводит к наличию. паразитных
емкостей Сзи и Сзс, снижению быстродействия МДП-микросхем. Уменьшение размеров
областей перекрытия затруднено ошибками совмещения фотошаблонов металлизации с
областями истока и стока, т.е. разрешающей способностью фотолитографии по
алюминиевой металлизации, которая не превышает ±1 мкм.
Использование поликремния в
качестве материала затвора (рис.5) позволило получить ряд существенных
конструктивно-технологических преимуществ и значительно повысить параметры
МДП-приборов.
Значительно уменьшена глубина
залегания р-п переходов истока и стока (до 2...1 мкм) и боковой диффузии (до
0,6...1,4 мкм), а вместе с тем значительно уменьшены перекрытие затвором
областей истока и стока и площади р-п переходов, и, таким образом, существенно
снижены значения соответствующих паразитных емкостей. Наименьшие величины
перекрытий получены при использовании ионного легирования при формировании
областей истока и стока, однако сопротивление поликремниевых шин при этом
остается высоким. Для увеличения проводимости шин используют комбинацию
диффузионного и ионного легирования.
Совместимость материала затвора
с материалами защитного слоя (например, поликремния и пиролитически нанесенного
окисла кремния) позволила значительно сблизить контакты стока и истока,
уменьшить размеры этих областей и всего прибора в целом, повысить степень
интеграции МДП-микросхем.

1 2 3
Рис.5. Структура МДП-транзистора
с поликремниевыми затворами: 1 - подложка р-типа; 2, 3 - диффузионные n+ - области истока и диффузионных шин (первый уровень
разводки), 4, 5, 7 - алюминиевые контакты к истоку, затвору и стоку;, 6 -
поликремниевый затвор; 8 - проводник из легированного поликремния (второй
уровень разводки); 9 - алюминиевая шина (третий уровень разводки); 10 -
межслойный диэлектрик (SiO2, БСС, ФСС)

Рис.6. Структуры
МДП-транзисторов с индицированным и встроенным каналами, истоки и стоки которых
сформированы комбинацией диффузии и ионного легирования: 1 - подложка р-типа; 2
- диффузионная n+-область истока; 3 -
ионно-легированная n+-область истока; 4 - встроенный
ионно-легированный n-канал; 5, 7,8, 10, 11 -
алюминиевые выводы истоков, стоков и затворов; 6, 9 - поликремниевые затворы.
Уменьшена ширина канала до 4...6
мкм за счет более точного формирования конфигураций истока, стока и затвора и
меньшего перекрытия этих областей. Снижение толщины подзатворного диэлектрика
до 0,07...0,1 мкм позволило резко увеличить крутизну характеристики
транзисторов и повысить быстродействие микросхем.
Применение поликремния в
качестве материала затвора дает снижение контактной разности потенциалов
φмп и уменьшение порогового напряжения. К этому же результату приводит
уменьшение плотности заряда поверхностных состояний Qss
благодаря эффективной защите подзатворного диэлектрика материалом затвора и
отжиг этого диэлектрика при высоких температурах в процессе проведения операций
легирования кремния. Снижение пороговых напряжений дало возможность перейти к
использованию источников питания с рабочим напряжением 5 В, снизив потребляемую
мощность БИС.
Освоение технологии изготовления
МДП БИС с поликремниевыми затворами транзисторов, сочетающей диффузионное и
ионное легирование, позволило создать в составе микросхем МДП-транзисторы со
встроенным каналом, работающие в режиме обеднения (Рис.6). Нагрузочные
транзисторы n-МДП-типа со встроенным каналом обладают
более высоким быстродействием, лучшей помехоустойчивостью и занимают вдвое
меньшую площадь, чем нагрузочные транзисторы, работающие в режиме обогащения
(см. рис.2, 4) при той же потребляемой мощности.
Все указанные факторы в
сочетании позволили создать МДП БИС с минимальной задержкой на один элемент 1...4
не и значительно уменьшить такой важный параметр, как произведение мощности на
задержку (1...4 пДж), что уже вплотную подходит к аналогичным параметрам БИС на
биполярных транзисторах.
Конструкции Д-МДП-транзисторов. Конструкция
Д-МДП-транзистора разработана специально для обеспечения высокого
быстродействия за счет уменьшения длины канала до субмикронных размеров. Короткий
канал получают по принципу формирования тонкой базы в биполярном транзисторе - за
счет медленного, хорошо контролируемого и управляемого процесса диффузии
(поэтому Д-МДП, т.е. диффузионный МДП-транзистор). В этом транзисторе области
канала р-типа и истока n+-типа формируются в процессе
двух диффузий в одно и то же окно в окисной маске. Конструкция Д-МДП-транзистора
не требует высокой точности совмещения затвора с областями истока и стока, как
в обычном МДП-транзисторе. В связи с этим оказалась возможной реализация
МДП-структур с длиной канала 0,4...1 мкм даже при ограниченных возможностях
фотолитографического процесса по разрешающей способности. Короткий канал
формируется в приповерхностной области. Кремния p - типа
электропроводности в промежутке между двумя р-п переходами. Число носителей
тока в этом индуцированном канале определяется напряжением на затворе, а
скорость их перемещения - напряжением, приложенным между истоком и стоком. Произведение
числа носителей на их скорость пропорционально току стока. В и-канальных
Д-МДП-транзисторах при длине канала менее одного микрона электроны, инжектированные
из области истока, даже при сравнительно небольших напряжениях на стоке
приобретают значительную скорость.

Рис.7. Структура обычного n-канального МДП-транзистора (а) и диффузионного n-канального Д-МДП-транзистора (б): / - область канала; 2 - область
дрейфа электронов.
В обедненной n-области
между каналом и стоком при нормальных смещениях (Uc>Uнас) электроны, прошедшие канал, инжектируются в область
объемного пространственного заряда, прилегающую к n+-области
стока, и дрейфуют к стоку в сильном электрическом поле. Такая же область дрейфа
существует и в обычных МДП-транзисторах при Uc>Uнас (рис.7)
Таким образом, несмотря на
различия в конструкциях, принцип работы Д-МДП - и МДП-транзисторов одинаков. Но
в производстве Д-МДП-транзисторов использованы достижения как биполярной
технологии (малое расстояние между двумя р-п переходами), так и технологии
изготовления МДП-структур (формирование тонкого подзатворного диэлектрика с
малой толщиной, низкой дефектностью и плотностью поверхностных состояний).
Освоение технологии микросхем на
Д-МДП-транзисторах с использованием эпитаксиальных структур позволяет, кроме
того, формировать на одной и той же подложке биполярные п-р-п-транзисторы и
изолированные от них Д-МДП-транзисторы (рис.8), что имеет исключительное
значение для производства как аналоговых (например, операционных усилителей),
так и логических микросхем.
Перекрытие электродом затвора
обедненной области объемного заряда (рис.7, б) дает лишь незначительный вклад в
паразитную емкость Сзс, но наличие этой области позволяет повысить рабочее
напряжение прибора до нескольких сотен вольт. Короткий канал и малая емкость
Сзс позволили увеличить быстродействие микросхем с Д-МДП-транзисторами примерно
в 5 раз при том же минимальном проектном геометрическом размере, что и в БИС на
обычных МДП-транзисторах: значения времен переключения и задержки в логических
микросхемах на Д-МДП-транзисторах составляют 1 не и менее. Пробивное напряжение
Д-МДП-транзисторов составляет 300...400 В.
В связи с малой плотностью
размещения элементов в кристалле маловероятно, что Д-МДП-транзисторы будут
широко использоваться в БИС, но благодаря своим уникальным свойствам они найдут
применение в быстродействующих переключающих устройствах с высоким рабочим
напряжением и в устройствах большой мощности.

Рис.8. Структура
планарно-эпитаксиального Д-МДП-транзистора: 1,7-диффузионныеобласти истока и
стока; 2,5-шины алюминиевой металлизации; 3 - затвор; 4 - подзатворный тонкий
окисел; 6 - изолирующая область; 8 - n-эпитаксиальный
слой, 9 - подложка; 10 - область получаемая методом двойной диффузии для
формирования канала транзистора.

Рис 9. Фрагмент структуры
кристалла с V-образным углублением для формирования V-МДП-транзистора.
Конструкции V-МДП-транзисторов.
Все рассмотренные ранее МДП-транзисторы имеют планарную конструкцию, т.е. являются
двумерными. V-МДП-технология добавляет в конструкцию
МДП-транзисторов третье измерение, позволяя формировать исток прибора под его
затвором и стоком, а не рядом с ними. Это третье измерение дает V-МДП-приборам преимущества как по быстродействию, так и по. плотности
упаковки перед такими структурами, как п-канальные МДП-приборы с кремниевыми
затворами.
Собственно говоря, термин «V-МДП-транзистор» относится к МДП-приборам, в которых буква V означает, во-первых, вертикальное направление протекания
тока от расположенного в подложке истока к расположенному над ним стоку и,
во-вторых, способ формирования приборов селективным вытравливанием в исходной
заготовке углубления V-образного сечения (рис.9). V-МДП-транзистор получают на боковых стенках этого углубления.
Особо следует отметить, что n+-исток, расположенный под
n+-стоком, вообще не требует для своего формирования
дополнительной площади на поверхности пластины, что обусловливает высокую
компактность V-МДП-структуры. Кроме этого, истоковая
область n+-типа выполняет роль земляной шины и не
требует, как это бывает в других конструктивно-технологических вариантах,
дополнительной площади кристалла для заземляющих шин.
Пирамидальная ямка
вытравливается на такую глубину, чтобы она пересекла ионно-легированный слой n+-типа и эпитаксиальный слаболегированный р-слой, диффузионно-легированный
n–-слой, достигнув вершиной высоколегированной подложки
n+ - типа. Сечение р-слоя служит основой для
формирования канала. Этот слой имеет глубину менее 1 мкм, его сечение
плоскостями V-образного углубления определяет длину V-МДП-транзистора. Ширина канала в V-МДП-транзисторе
получается большой, так как этот канал расположен по всему периметру V-образного углубления. Поскольку ширина канала определяет
максимальный ток транзистора и его усиление, постольку V-МДП-транзисторы
можно непосредственно сопрягать с системами, требующими больших управляющих
токов, например со схемами, содержащими большое количество ТТЛ-нагрузок,
светодиодными индикаторами и даже небольшими электродвигателями.
Слой подзатворного диэлектрика
формируется на поверхности V-образного углубления (рис.10).
В качестве материала затвора применяют алюминий либо поликремний. Область
объемного пространственного заряда выполняет в V-МДП-транзисторе
ту же роль, что и обедненная область пространственного заряда в Д-МДП-транзисторе:
увеличивает пробивное напряжение транзистора, дает пониженные значения
паразитной емкости Сзс.
Трехмерность V-МДП-транзисторной
структуры является фактором существенного повышения плотности упаковки БИС.
В связи с низким выходом годных
и ограниченных логическими возможностями перспективы создания V-МДП-БИС
невелики. Но такие структуры обладают уникальными способностями управления
очень большими токами с высокой скоростью их переключения. Они нашли применение
в звуковых высококачественных усилителях мощности, в широкополосных усилителях,
в источниках вторичного электропитания для преобразования постоянного тока в
переменный при меньших затратах, массе и габаритных размерах, чем традиционные
источники питания.
Конструкции МДП-транзисторов на
диэлектрической подложке. Использование структур с эпитаксиально выращенным на
диэлектрической подложке (сапфир или шпинель) слоем монокристаллического
кремния толщиной 0,7...2,0 мкм с целью изготовления МДП-транзисторов
целесообразно, так как позволяет существенно снизить паразитные емкости
транзистора и коммутационных проводников, избавиться от паразитных
транзисторных структур, упростить технологию изготовления МДП-приборов.
Транзисторы формируются в изолированных друг от друга островках, что позволяет
уменьшить практически до нуля паразитные межэлемент'ные связи через подложку.
Диффузия для формирования истока и стока (рис.11) проводится на всю глубину
эпитаксиального слоя, что позволяет получать вертикальные р-п переходы малой
площади с малыми емкостями.

Рис.10 Структура V-МДП-транзистора: / - область канала; 2 - область дрейфа
электронов.

Рис.11. Структура
МДП-транзистора на диэлектрической (сапфир) подложке: / - подложка; 2, 4 -
исток и сток; 3 - эпитак-сиальная р-область; 5, 8-шины металлизации; 6 -
подзатворный тонкий диэлектрик; 7-затвор.
МДП-структуры на диэлектрической
подложке обладают существенно более высоким быстродействием по сравнению с
аналогичными структурами на кремниевой подложке и позволяют, кроме того,
несколько сэкономить площадь при создании МДП БИС.
ЛИТЕРАТУРА
1. Ненашев А.П. Конструирование
радиоэлектронных средств: Учеб. для радиотехнических спец. вузов. – Мн.: Высшая
школа, 2000.
2. Основы
конструирования изделий радиоэлектроники: Учеб. пособие / Ж.С. Воробьева, Н.С. Образцов,
И.Н. Цырельчук и др. – Мн.: БГУИР, 2001
|