Курсовая работа: Выбор параметров и анализ режимов электропередачи
Курсовая работа: Выбор параметров и анализ режимов электропередачи
МИНИСТЕРСТВО ОБРАЗОВАНИЯ РОССИЙСКОЙ ФЕДЕРАЦИИ
ФИЛИАЛ ГОСУДАРСТВЕННОГО ОБРАЗОВАТЕЛЬНОГО
УЧЕРЕЖДЕНИЯ ВЫСШЕГО ПРОФЕССИОНАЛЬНОГО ОБРАЗОВАНИЯ
МОСКОВСКОГО ЭНЕРГЕТИЧЕСКОГО ИНСТИТУТА (ТЕХНИЧЕСКОГО
УНИВЕРСИТЕТА)
Факультет “Энергетики и электротехники”
Кафедра “Электрические системы”
Курсовой проект
По курсу:
“Дальние линии электропередачи СВН”
Тема: “Выбор
параметров и анализ режимов электропередачи”
Смоленск,
2003
ВВЕДЕНИЕ
В данном курсовом проекте рассматривается
электропередача переменного тока сверхвысокого напряжения с одной промежуточной
подстанцией, предназначенной для транспорта электрической энергии от удаленной
гидроэлектростанции в приёмную систему.
Решаются вопросы, связанные с выбором
схемы электропередачи и номинального напряжения её участков, оценивается
пропускная способность электропередачи, проводятся расчёты и анализ основных
рабочих, послеаварийного и особых режимов работы.
В заключительной части проекта
определяются основные технико-экономические показатели.
1. Выбор схемы, номинального
напряжения и сечения проводов участков электропередачи
Выбор числа цепей на участках электропередачи
производится по условию обоснованно надёжного снабжения энергией потребителей
промежуточной подстанции, а также потребителей приёмной системы, обеспечиваемых
энергией от ГЭС.
Сопоставляя три заданные величины:
наибольшая мощность, передаваемая от ГЭС Р0
= 1340 МВт;
наибольшая мощность потребителей
промежуточной подстанции Рп/ст = 600 МВт;
оперативный резерв мощности, имеющийся в
приёмной системе Ррезерв = 470 МВт.
Наметим следующие варианты схемы участков
электропередачи:

Рис 1.1. Вариант 1 схемы участков
электропередачи.

Рис 1.2. Вариант 2 схемы участков
электропередачи.
При длине линий более 400 км, предельный экономический ток для двух смежных марок проводов равен:

где К02 и К01 – удельные капитальные
вложения на сооружение ВЛ соответственно с проводами большего и меньшего
сечения [1] при учете зональных и поправочных коэффициентов [1];
Ен = 0,12 – коэффициент
эффективности капиталовложений;
а – коэффициент ежегодных издержек на
амортизацию и обслуживание ВЛ [1];
dРк1 и dРк2 – среднегодовые потери мощности при коронировании
проводов большего и меньшего сечения [1];
r02 и r01 – погонные активные сопротивления одного провода соответственно
большего и меньшего сечения, вычисляемые по данным табл. 7.6 [1] с введением
поправки на среднегодовую температуру воздуха [1];
n - стандартное число проводов в фазе;
Зi и Зii – удельные
затраты на возмещение потерь электроэнергии, зависящие от времени потерь и
района сооружения ВЛ;
tпотерь –
время потерь.
tпотерь = ∑(Рi/Рнб)2∙ti
tпотерь = 122000+0,722500+0,522500+0,321760
= 4008,4 час.
Вариант 1
Линия 750 кВ длиной 630 км (одна цепь).
Iрасч
= Pmax. л./(N∙√3∙Uном∙cosφ)
Iрасч
= 1340./(1∙√3∙750∙0,99)
= 1041,952 А
Fрасч =
Iрасч/(n∙jрасч)
Fрасч =
1041,952/(4∙1) = 260.488 мм2
Количество проводов расщеплённой фазы n =
4.
Т. о. выбираем провод 4АС 400/93.
Iдоп = 4∙860
= 3440 А, где
860 А – длительно допустимый ток на один
провод фазы из табл. 7.12 [1] (значение взято для ближайшего сечения, т.к.
отсутствуют данные)
3440 > 1042, значит, провод по нагреву
проходит.
Линия 500 кВ длиной 420 км (одна цепь).
  Iрасч =
Pmax. л./(N∙√3∙Uном∙cosφ)
= (P0
– Рпс)./(N∙√3∙Uном∙cosφ)
Iрасч =
740./(1∙√3∙500∙0,98) = 871,917 А
Fрасч =
Iрасч/(n∙jрасч)
Fрасч =
871,917 /(3∙1) = 290,639 мм2
Т.к. минимальное сечение провода по
условиям короны для напряжения 500 кВ составляет 330/43 мм2 , то
учитывая количество проводов расщеплённой фазы n = 3, выбираем
провод: 3АС 330/43.
Iдоп = 3∙730
= 2190 А
730 А – длительно допустимый ток на один
провод фазы из табл. 7.12 [1] (значение взято для ближайшего сечения, т.к.
отсутствуют данные).
2190 > 872 , значит провод по нагреву
проходит.
Вариант 2
Линия 500 кВ длиной 630 км (две цепи):
Iрасч = Pmax. л./(N∙√3∙Uном∙cosφ)
Iрасч
= 1340./(2∙√3∙500∙0,99)
= 781,464 А
Fрасч =
Iрасч/(n∙jрасч)
Fрасч =
781,464/(3∙1) = 260,488 мм2
Т.к. минимальное сечение провода по
условиям короны для напряжения 500 кВ составляет 330/43 мм2 , то
учитывая количество проводов расщеплённой фазы n = 3, выбираем
провод: 3АС 330/43.
Iдоп = 3∙730
= 2190 А
730 А – длительно допустимый ток на один
провод фазы из табл. 7.12 [1] (значение взято для ближайшего сечения, т.к.
отсутствуют данные).
Iав.пер. =
2∙ Iрасч =
1564 А
2190 > 1564 , значит провод по нагреву
проходит.
Линия 500 кВ длиной 420 км варианта 2 аналогична линии 500 кВ длиной 420 км варианта 1.
2. Выбор схемы электрических
соединений передающей станции и промежуточной подстанции
Вариант 1
Ррасч = 1,15∙1340 = 1541
МВт.
Выбираем шесть гидрогенераторов СВ –
712/227 – 24.
Номинальные данные:
Sном.г= 306
МВА, Рном. г = 260 МВт, U ном = 15,75 кВ, cosφ =0,85, Хd
= 1,653, Хd’ = 0,424,
Хd” = 0,279.
Располагаемая активная мощность ГЭС равна 1560 МВт.
С учётом подключения трех генераторов к
одному блочному трансформатору выбираем две группы однофазных трансформаторов 2
3 + 1 ОРЦ 417000/750
со следующими номинальными параметрами:
Sном. тр =
417 МВ∙А, Uвн ном =
787/√3 кВ, Uнн ном =
15,75 кВ,
Δ Рк = 0,8 МВт, ΔРх
= 0,4 МВт, Rт = 0,96
Ом, Хт = 69,3 Ом.
При числе присоединений равном трём на напряжении 750
кВ выбираем схему треугольника.
На промежуточной подстанции будет двойная
трансформация.
Расчётная мощность первой трансформации:
Sрасч =
Р0./(1,4∙cosφп/ст) = 1340./(1.4∙ 0,99) = 966,8 МВ∙А
Выбираем (3∙2 +1) АОДЦТН
417000/750/500 со следующими номинальными параметрами:
 Sном.
тр = 417 МВ∙А, Uвн
ном = 750/√3 кВ, Uсн
ном = 500/√3 кВ, Uнн
ном = 15,75 кВ,
Δ Рк = 0,7 МВт, ΔРх
= 0,28 МВт, Хт н = 309 Ом, Хт в = 55,1 Ом.
Расчётная мощность второй трансформации:
Sрасч = Рп/ст./(1,4
cosφп/ст) =
600./(1,4∙ 0,99) = 432,9 МВ∙А
Выбираем (3∙2 +1) АОДЦТН 167000/500/220 со
следующими номинальными параметрами:
Sном. тр =
267 МВ∙А, Uвн ном =
500/√3 кВ, Uсн ном =
230/√3 кВ, Uнн ном =
11 кВ,
ΔРк = 0,325 МВт, ΔРх
= 0,125 МВт, Хт н = 113,5 Ом, Хт в = 61,1 Ом.
На подстанции потребители питаются от шин
220 кВ. Определим количество отходящих линий от РУ 220 кВ, ориентируясь на их
натуральную мощность:
n = Рп/ст/135 = 600/135 = 4,4, следовательно принимаем n =
4.
Т. о. на подстанции при первой
трансформации принимаем схему треугольника, а при второй трансформации при
числе присоединений равном пяти выбираем схему трансформатор – шины с
присоединением линий через два выключателя.
На 220 кВ при числе присоединений равном
шести выбираем схему одна секционированная система шин с обходной с отдельными
секционным и обходными выключателями. В итоге схема электрических
соединений для первого варианта электропередачи выглядит с. о.:

Рис.2.1 Схема электрических
соединений для первого варианта электропередачи.
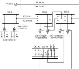
Вариант 2
С учётом подключения трех генераторов к одному
блочному трансформатору выбираем трансформаторы ТЦ 1000000/500 со следующими
номинальными параметрами:
Sном. тр = 1000 МВ∙А, Uвн ном = 525 кВ, Uнн ном =
15,75 кВ,
ΔРк = 2 МВт, ΔРх
= 0,6 МВт, Rт = 0,55
Ом, Хт = 40 Ом.
При числе присоединений равном четырем на напряжении
500 кВ выбираем схему четырехугольника. На промежуточной подстанции остается
лишь одна трансформация на 220 кВ, в остальном схемы электрических соединений
аналогичны варианту 1 и выглядит следующим образом:

Рис.2.2 Схема электрических
соединений для второго варианта электропередачи.
Выбор выключателей на РУ
В цепи генераторов: I max =
260/(1,73∙15,75∙ 0,85) = 11,213 кА
ВВГ – 20 – 160 /20000 У3
U ном = 20
кВ, I ном = 20
кА, I откл =
160 кА
ОРУ 750 кВ: I max =
1340/(1,73∙750∙0,99) = 1,042 кА
ВВБ – 750 – 40/3150У1
U ном = 750
кВ, I ном =
3,15 кА, I откл = 40
кА
ОРУ 500 кВ: I max =
1340/(1,73∙500∙0,99) = 1,563 кА
ВНВ – 500А – 40/3150У1
U ном = 500
кВ, I ном =
3,15 кА, I откл = 40
кА
ОРУ 220 кВ: I max =
600/(1,73∙220∙0,99) = 1,59 кА
ВВБК – 220Б – 56/3150У1
U ном = 220
кВ, I ном =
3,15 кА, I откл = 56
кА.
3.
Технико-экономическое сравнение двух вариантов электропередачи
Экономическим критерием определения
наиболее рационального варианта является минимум приведенных затрат, которые
вычисляются по следующей формуле:
3= Ен К∑ +И∑
+У, где
Ен – нормативный
коэффициент сравнительной эффективности капиталовложений;
Ен = 0,12 (для энергетики
срок окупаемости 8 лет);
К∑ -
капиталовложения в сеть;
И∑ - издержки всей
сети;
У – ущерб.
К∑ = Кл +
Кп/ст.
Кл = Ко· ℓ,
где
Ко – удельная стоимость сооружения
линий,
ℓ – длина линии, км
Кп/ст = Кору +
Ктр + Кку + Кпч
В расчете предварительно не
учитывается стоимость компенсирующих устройств, т.е. Кку = 0
Кору = Корувн +
Корусн
Ктр- капиталовложение
трансформаторов,
Кпч – постоянная часть
затрат
И∑ = И∑а.о.р.+
И∑потери ээ, где
И∑ - издержки всей
сети;
И∑.о.р а.- издержки
амортизацию, обслуживание и ремонт;
И∑потери ээ -
издержки связанные с потерями электроэнергии.
И∑а.о.р = Иа.о.р.л
+ И а.о р п/ст
И∑потери ээ =Ипотери
ээВЛ + Ипотери тр
Иа.о.р.вл = ал·кл
ал – ежегодные издержки на
амортизацию, обслуживание и ремонт воздушных линий в % от капиталовложений.
Ипотери ээ = Ипотери
ээ ВЛ + И∑потери
ээ тр , где
И а.о р п/ст = а п/ст
· К п/ст
Расчет произведём для схем
отличающихся частей вариантов схем 1 и 2.
Схема 1
З = Ен· Кå + Иå
Кå = Кå вл + КГЭС + Кп/ст
1) Квл = ко· L
Квл = к0(400))·
ℓ1 = 97∙630 = 43470 тыс. руб.
2) КГЭС = Корувн +
Ктр + К пч
Корувн = 3·700 = 2100 тыс.
руб.
Ктр = 2∙1980 = 3960
тыс. руб.
Кпч = 6800 тыс. руб.
КГЭС = 2100 + 3960 + 6800
= 12860 тыс. руб.
3) Кп/ст = Кору вн
750 + Ктр 750 + К пч 750
Кору вн 750 = 3·700 = 2100
тыс. руб.
Ктр 750 = 2∙2150 =
4300 тыс. руб.
Кп/ст = 2100 + 4300 + 6800
= 13200 тыс. руб.
Тогда Кå = 48500 + 12860 + 13200 = 74560 тыс.
руб.
Иå =Иå а.о.р. + Иå потери ээ
Иå а.о.р. = Иå а.о.р.вл + Иå а.о.р. ГЭС + Иå а.о.р.н/ст
Иå а.о.р.вл = 0,028·43470 = 1217,16 тыс. руб.
Иå а.о.р. ГЭС = 0,078·12860 = 1003,08 тыс. руб.
Иå а.о.р.п/ст = 0,084·13200 = 1108,8 тыс. руб.
Иå а.о.р = 1217,16 + 1003,08 + 1108,8 =
3329,04 тыс. руб.
Определим издержки на потери
электроэнергии в линии:
1)ΔWл1 = ΔР л1 τ л1·α t, где α t, = 1
ΔP л1= S2мах/ U2ном Rл = 1353,52 /7502
11,97 = 38,98 МВт
τ л1=
(0,124 + Тмах./10000)2 8760
Wгод= 1340∙2000 +1340∙0,7∙2500
+1340∙0,5∙2500 +1340∙0,3∙1760 = 7,408∙106
МВт·ч
Тмах = Wгод/Рмах = 7,408∙106/1340
= 5528 час.
τ л1= (0,124 +
5528/10000)2 ·8760 = 4012,59 час
ΔW л1= 38,98 · 4012,59 = 156410,8 МВт·ч
ΔWкор л1 = 160∙630 = 100800 МВт·ч
Ипотери ээ ВЛ=
ЗI∙ΔWл1 + ЗII∙ΔWкор л1 = 2∙10-2∙156410,8
+ 1,75∙10-2∙100800 = 4892,2 тыс. руб.
Определим издержки на потери энергии
в трансформаторах:
Ипотери ээ тр
= ЗI∙ΔРк.з(Sнг.мах./Sном.т)2.τ т + ЗII∙ΔР х.х ·8760
1)
Т 750/10:
Ипотери ээ тр 750/10
= 2∙10-2∙1/2∙0,8∙(1353,5./1251)2
∙4012,59 + 1,75∙10-2∙2·0,4·8760 = 160,22 тыс. руб.
2)
Т 750/500/10:
Ипотери ээ тр 750/500
= 2∙10-2∙1/2∙0,7∙(1353,5./1251)2∙
4012,59 + 1,75∙10-2∙2·0,28∙8760 = 118,73 тыс. руб.
Ипотери ээ тр Σ
= 160,22 + 118,73 = 278,95 тыс. руб.
Ипотери ээ Σ
= Ипотери ээ ВЛ + Ипотери ээ тр Σ
Ипотери ээ Σ
= 4892,2 + 278,95 = 5171,15 тыс. руб.
И∑ = И∑а.о.р.+
И∑потери ээ
И∑ = 3329,04 +
5171,15 = 8500,19 тыс. руб.
У = ω∙Тв∙(Рнб
– Ррез )∙εн∙Уов
ω = 0,2∙10-2∙630
= 1,26
εн = (Рнб – Ррез
)/Рнб = (1340 – 470)/1340 = 0,649
Тв = 1,7∙10-3
Уов = 4,5 тыс. руб./кВт.
У = 1,26∙1,7∙10-3∙870∙0,649∙4,5∙1000
= 5442,47 тыс. руб.
И тогда окончательно приведенные
затраты на схему варианта 1 будут равны:
З = Ен· Кå + Иå + У
З1 = 0,12·74560+ 8500,19 +
5442,47 = 22889,86 тыс. руб.
Схема 2
З = Ен· Кå + Иå + У
Кå = К л1 + КГЭС
1) Кл1 = 2∙к0(500))·
ℓ1 = 2∙49,9∙630 = 62874 тыс. руб.
2) КГЭС = Корувн +
Ктр + К пч
Корувн = 6·260 = 1560 тыс.
руб.
Ктр = 2∙932 = 1864
тыс. руб.
Кпч = 2400 тыс. руб.
КГЭС = 1560 + 1864 + 2400 =
5824 тыс. руб.
Тогда Кå = 62874 + 5824 = 68698 тыс. руб.
Иå =Иå а.о.р. + Иå потери ээ
Иå а.о.р. = Иå а.о.р.вл + Иå а.о.р.ору вн ГЭС
Иå а.о.р.вл = 0,028·62874 = 1760,472 тыс. руб.
Иå а.о.р. ГЭС = 0,078·5824 = 454,272 тыс. руб.
Иå а.о.р = 1760,472 + 454,272 = 2214,744 тыс.
руб.
1) Определим издержки на потери
электроэнергии в линии:
ΔWл1 = ΔР л1· τ л1 · α t, где α t, = 1
ΔP л1= (S2мах/ U2ном )∙ 0,5Rл = 1353,52 /5002 ·0,5·9,135
= 33,47 МВт
Wгод = 7,408∙106
МВт·ч
Тмах = Wгод/Рмах = 7,408∙106
/1340 = 5528 час.
τ л1= (0,124 +
5528/10000)2 ·8760 = 4012,5 час
ΔW л1= 33,47 · 4012,5 = 134298,37 МВт·ч
ΔWкор л1 = 2∙60∙630 = 75600 МВт·ч
ЗI = 2 коп/(кВт∙час), ЗII = 1,75 коп/(кВт∙час)
Ипотери ээ ВЛ=
ЗI∙ΔWл1 + ЗII∙ΔWкор л1 = 2∙10-2∙134298,37+
1,75∙10-2∙75600 = 4008,97 тыс. руб.
2) Определим издержки на потери
энергии в трансформаторе 500/10:
Ипотери ээ тр
= ЗI∙ΔР к.з(Sнг.мах./Sном.т)2.τ т + ЗII∙ΔР х.х ·8760
Ипотери ээ тр = 2∙10-2∙1/2∙2(1353,5./2000)2∙4012,5+1,75∙10-2∙2∙0,6·8760
= 220,714 тыс. руб.
Ипотери ээ Σ
= Ипотери ээ ВЛ + Ипотери ээ тр
Ипотери ээ Σ
= 4008,97 + 220,714 = 4229,684 тыс. руб.
И∑ = И∑а.о.р.+
И∑потери ээ
И∑ = 2214,744 +
4229,684 = 6444,428 тыс. руб.
И тогда окончательно приведенные
затраты на схему варианта 2 будут равны:
З2 = 0,12·68698 + 6444,428
= 14688,188 тыс. руб.
Сравним приведенные затраты для схем 1
и 2
З1 = 22889,86 тыс. руб..
З2 = 14688,188 тыс. руб.
Оценим эту разницу в %: ε = (22889,86 – 14688,188) ·100%
/22889,86 = 36%
Т.о. схема 2 обходится значительно
дешевле, нежели схема 1, поэтому по технико-экономическим показателям наиболее
рациональным вариантом схематического исполнения электропередачи является
вариант 2 и весь дальнейший расчёт ведётся именно для этого варианта.

Рис 2.3 Схема замещения электропередачи.
Рассчитаем параметры схемы замещения.
Линия 13АС 330/43.
Сопротивления на
одну цепь:
Rл1
= КR∙ℓ∙r0 = [1 – (0,664)2/3]∙630∙0,029
= 15,58 Ом
Xл1
= КХ∙ℓ∙x0
=[1 – (0,664)2/6]∙630∙0,308 = 179,78 Ом
Вл1 = КВ∙ℓ∙b0
=[1 + (0,664)2/12]∙630∙3,6∙10–6 = 2,351
∙10–3 См
Где 0,664 = β0∙ℓ , где ℓ = 630 км и

Линия 23АС 330/43.
Сопротивления на одну цепь:
Rл1
= КR∙ℓ∙r0 = [1 – (0,443)2/3]∙420∙0,029
= 11,38 Ом
Xл1
= КХ∙ℓ∙x0
=[1 – (0,443)2/6]∙420∙0,308 = 125,13 Ом
Вл1 = КВ∙ℓ∙b0
=[1 + (0,443)2/12]∙420∙3,6∙10–6 = 1,537∙10–3
См
Где 0,443 = β0∙ℓ , где ℓ = 420 км.
3.
Расчёт нормальных, послеаварийного и особых режимов электропередачи





Произведём расчёт линии 2.
Произведём проверку режима:
1)
UННдопmin = 10,45кВ
<UНН = 10,46
кВ < UННдопmax =11,55кВ
2)
UСНmax = 195,5≤ UСН = 228,731≤ UСНдопmax =
264,5кВ
3)
UГдопmin =14,96 кВ
< Uг = 15,104
кВ < UГдопmax =16,54 кВ
4)
cosφг = 0,956 > cosφгном = 0,85
5)
kз1 = 124,5
% >20% ; kз2 =
197,49 % >20%
kз1 = (Рпр1 – Р0)/ Р0 =
(U1∙U2/Xл1 – Р0)/Р0
= (525∙515/89,89 – 1340)/1340 = 124,5 %
kз2 = (Рпр2– Р0)/ Р0 = (U2∙Uсис/Xл2– Рсис)/Рсис
= (515∙492,533/125,13– 681,421)/681,421 = 197,49 %
Расчёт режима наименьшей
передаваемой мощности
По условию в данном режиме, мощности, передаваемые по
линиям, составляют 30 % номинальных. Поэтому в режиме НМ отключена одна из
цепей на головной ВЛ, одна из групп АОДЦТН 167000/500/220 на промежуточной
подстанции, один блок на ГЭС и устройства УПК.



С целью поднятия напряжения на шинах ГЭС и подстанции предусмотрена
установка двух групп реакторов 3xРОДЦ – 60/500 в начале головной линии и одной
группы в конце.
В данном режиме U1 = 500 кВ.
Зададимся
напряжением: U2 = 500 кВ и произведём расчёт режима НМ.



Произведём расчёт линии 2.
Учитывая посадку напряжения на шинах системы, устанавливаем группу
реакторов 3хРОДЦ – 60/500.

Произведём проверку режима
1) UННдопmin =
10,45кВ <UНН = 10,869 кВ < UННдопmax =
11,55кВ
2) UСН = 195,5< UСНmax = 227,826<UСНдопmax =
264,5кВ
3) UГдопmin =14,96
кВ < Uг
= 15,135 кВ < UГдопmax =
16,54 кВ
4) cosφг
= 0,98 > cosφгном =
0,85
5) kз1
= 245,9 % >20%; kз2 =
838 %>20%
kз1 =(Рпр1 – Р0)/ Р0
= (U1∙U2/Xл1
– Р0)/Р0 =(500∙500/179,78 – 402)/402 = 245,9 %
kз2 = (Рпр2– Р0)/ Р0
=(U2∙Uсис/Xл2–
Рсис)/Рсис=(500∙488,1/125,13 – 207,9)/207,9 = 838 %
Расчёт послеаварийного
режима
В качестве послеаварийного режима рассматриваем
отключение одной цепи линии Л-1.
При этом по линии Л-1 протекает мощность P0
= 1340 МВт, что больше натуральной
мощности линии 500кВ (Pc=852,82МВт), поэтому принимаем напряжение в начале
линии U1 = 1,05∙Uном
= 525 кВ; учтём резерв и УПК.
Напряжение в конце линии Л-1 принимаем U2
= 490 кВ.






Для выработки необходимой реактивной
мощности предусматривается установка двух СК типа КСВБ0-100-11.
В данном случае считаем, что вторая линия
генерирует часть своей зарядной мощности на подстанцию, соответственно другая
её часть поступает в систему.

Произведём проверку режима:
1) UННдопmin = 10,45кВ
<UНН =
10,524 кВ < UННдопmax=11,55кВ
2) UСН = 195,5 кВ < UСН = 231,364 кВ < UСНдопmax=
264,5кВ
3) UГдопmin=14,96
кВ < Uг = 16,04
кВ < UГдопmax=16,54
кВ
4) cosφгном
= 0,961 > cosφгном =
0,85
5) kз1=64,27 % >20 %; kз2=509%>20%
kз1
=(Рпр1 – Р0)/ Р0 = (U1∙U2/Xл1 – Р0)/Р0 =(525∙490/87 –1800)/1800 =
64,27 %
kз2 = (Рпр2– Р0)/ Р0
=(U2∙Uсис/Xл2–
Рсис)/Рсис=(490∙481,88/66,82 – 580)/580 = 509 %
Рассчитанные основные рабочие режимы
электропередачи требуют установки
УПК
40%, двух синхронных компенсаторов типа КСВБ0-100-11, одной группы реакторов 3∙РОДЦ
– 60 в начале линии 1 и трёх групп реакторов 3∙РОДЦ – 60 в начале линии 2
Расчёт режима синхронизации
на шинах промежуточной подстанции
Рис 3.1 Схема замещения электропередачи в
режиме синхронизации на шинах промежуточной подстанции
В этом случае линия головного участка электропередачи
включена со стороны станции и отключена со стороны промежуточной подстанции.
При этом приемная подстанция питается от приемной системы по второму участку
электропередачи. Напряжение на шинах подстанции определяется обычным путем,
исходя из того, что синхронизация осуществляется в режиме максимальных
нагрузок.
Рассчитаем участок электропередачи система
– промежуточная подстанция.
Параметры схемы замещения :

Принимаем Рсистемы = 1,05∙Рп/ст
= 1,05∙1100 = 1155 МВт, Uсис = 510
кВ
Р′′л2 = Рсистемы
– ΔРк2/2 = 1155 – 6,3/2 = 1151,85 МВт
Q′′л2 = Q′′з2/2
= Uсис2∙Y2/2 = 474,42 Мвар
Определим значение Q′′л2,
при котором U2 будет не
более 500 кВ.
Q′′л2 = [(Uсис
– U2)∙
Uсис
– Р′′л2∙R2]/X2 = [(510 – 500)∙510 – 1151,85∙7,015]/66,82
Q′′л2 = – 44,6 Мвар
Устанавливаем в конце второй линии три
группы реакторов 3∙РОДЦ – 60 общей мощностью 3∙180∙( Uсис/525)2 = 509,58 Мвар
Q′′л2 = 474,42 – 509,58 = –
35,58 Мвар
Р′л2 = Р′′л2
– [Р′′л22 + Q′′л22]∙
R2/ Uсис2
= 1151,85 – [1151,852 + 35,582]∙ 7,015/ 5102
Р′л2 = 1116 МВт
Q′л2 = Q′′л2
– [Р′′л22 + Q′′л22]∙
Х2/ Uсис2
= –35,58 – [1151,852 + 35,582]∙ 66,82/ 5102
Q′л2 = – 376,75
U2
= Uсис
– ( Р′′л2∙R2+ Q′′л2∙X2)/
Uсис
= 510 – (1151,85 ∙7,015– 35,58 ∙66,82)/510
U2 = 498,86
кВ.
Далее проверим напряжения на НН и СН подстанции.
Рат
= Р′л2 – ΔРк2/2 = 1116 – 6,3/2 = 1112,85 МВт
Qат = Q′л2 + U22∙Y2/2 = – 376,75 + 498,822∙3,
648∙10-3/2 = 77,1 Мвар



Оставшийся
дефицит реактивной мощности покрывают два синхронных компенсатора установленных
ранее по условию работы электропередачи в режиме наибольших нагрузок.
Uнн =
11,045 < Umaxск = 11,55
кВ.
Следовательно, режим допустим.
Теперь рассчитаем первый участок
электропередачи.
Вторая цепь линии Л-1 отключена, на ГЭС в
работе 1 генератор и 1 блочный трансформатор.
Для синхронизации необходимо чтобы
напряжения на отключённом конце головного участка и на шинах промежуточной
подстанции были равны.
U2 = 498,86
кВ.
U2 = U1/cos(β0∙L) =
525/ cos(1,052∙10–3∙500∙180/3,14)
= 607,15 кВ
Для уменьшения напряжения на открытом
конце головного участка ставим реакторы в конце головной линии.
Определим необходимое количество этих
реакторов:
Т. о. устанавливаем две группы реакторов 3∙РОДЦ
– 60.
Тогда

Что равно напряжению на шинах
промежуточной подстанции, питающейся от системы.
Определим возможность существования такого
режима для генератора.
а) ЛЭП – 1

Qр=
2∙180∙ (U2хх/525) 2 = 2∙180∙
(497,868/525) 2 = 323,75 Мвар
Q′′л1 = Qр – U2хх2∙Y1/2
= 323,75 – 497,8682∙1,862∙10–3/2 = 92,98 Мвар
Q′л1 = Q′′л1
+ Q′′л12∙Х1/
U2хх2 = 92,28 + 92,282∙145/
497,8682 = 97,26 Мвар
Qл1 = Q′л1
– U12∙Y1/2 =
97,26 – 5252∙1,862∙10–3/2 = –159,35 Мвар
Для уменьшения Uг ставим в начале головной линии одну группу реакторов
3∙РОДЦ – 60 общей мощностью в 180 Мвар.
Тогда Qл1 = –159,35 + 180 = 20,65 Мвар.

Qг
= Qл1
+ Qл12∙Хт1/ U12 = 20,65 + 20,652∙61,3/5252
= 20,745 Мвар


Iг = 0,764
кА < Iг ном =
10,997 кА
Исследуем возможность самовозбуждения
генератора.
Хс = 1/[j∙Y1/2]
= 1/[ j∙1,862∙10–3/2] = – j∙1074,11
Ом
Хр = j∙
Uном2/Qр
= j∙ 5252/180 = j∙1531,25
Ом
Х1 = Zл1+Хс∙Хр/(Хс+Хр)=
9,08+ j∙145– j∙1074,11∙ j∙1531,25/(–j∙1074,11+j∙1531,25)
Х1 = 9,08 – j∙819,26
Ом
Zвнеш=Хс∙Х1/(Хс+Х1)
= – j∙1074,11∙[9,08–j∙819,26]
/(– j∙1074,11+ 9,08– j∙819,26)
Zвнеш
= 0,511 – j∙819,26 Ом
Хd
= Хd ∙Uном2/Sном
+ j∙Хт1= j∙1,31∙5002/353
+ j∙61,3 = j 989 Ом
Zвн носит емкостной характер => возможно
самовозбуждение генератора.
Т.к. Xd= 989 Ом < Xвн = 819,26 Ом, то рабочая точка попадает в зону
самовозбуждения.
Для устранения самовозбуждения установим
ещё одну группу реакторов
в начале головной линии.
Тогда Qл1 = –159,35 + 360 = 200,65 Мвар.
Qг
= Qл1
+ Qл12∙Хт1/ U12 = 200,65 + 200,65 2∙61,3/5252
= 209,6 Мвар

Напряжение генератора находится в
допустимых пределах.


Iг =8,04 кА
< Iг ном =
10,997 кА
Следовательно, генератор не перегружен по
току. Исследуем
возможность самовозбуждения генератора.
Хс = 1/[j∙Y1/2] = 1/[ j∙1,862∙10–3/2] = – j∙1074,11
Ом
Хр = j∙ Uном2/(2∙Qр) = j∙ 5252/360 = j∙765,625
Ом
Х1 = Zл1+Хс∙Хр/(Хс+Хр)=
9,08+ j∙145– j∙1074,11∙ j∙1531,25/(–j∙1074,11+j∙765,625)
Х1 = 9,08 + j∙2,811
Ом
Zвнеш=Хс∙Х1/(Хс+Х1)+j∙Хт1=
– j∙1074,11∙[9,08 + j∙2,811]
/(– j∙1074,11+ 9,08 + j∙2,811)
Zвнеш
= 3,473 – j∙1738+ j∙61,3
= 0.511 – j∙1677
Хd
= Хd ∙Uном2/Sном
= 1,31∙5002/353 = 927,76 Ом
Zвн носит емкостной характер => возможно самовозбуждение
генератора, но т.к. Xd =
989 <Xвн =
1677Ом, то рабочая точка не попадает в зону самовозбуждения.
Рис.3.2 Зоны самовозбуждения генератора
Расчет режима синхронизации
на шинах передающей станции
В этом случае линия, через которую осуществляется
синхронизация, включена со стороны промежуточной подстанции и отключена со
стороны ГЭС.
Значения U2, PC, QC берем из предыдущего режима:
U2=497,87кВ,
PC=559,3МВт, QC=10,56Мвар
U1хх = U2/cos(β0∙ℓ) = 498,86 /cos(1,052∙10–3∙500∙180/3,14)
= 575,69 кВ.
Необходимо, чтобы U1хх ≤
525 кВ.
Для понижения напряжения на холостом конце
головного участка ставим там реакторы. Yр = 180/5252 = 6,53∙10–4
См

Т. о . в начале головной линии
устанавливаем одну группу реакторов 3∙РОДЦ – 60 общей мощностью в 180
Мвар.


Q′л1 = U1хх2∙Y1/2 – Qр = 519,712∙1,862∙10–3/2
– 180 = 71,46 Мвар
Q′′л1 = Q′л1
– Q′л12∙Х1/U1хх2= 71,46 –
71,462∙145/ 519,712 = 68,72 Мвар
Q2 = Q′′л1
+ U22∙Y1/2 =
68,72 + 498,872∙1,862∙10–3/2 = 300,4 Мвар
Рпс = Рсис = 1112,85
МВт
Qсис = 77,1
Мвар
Qат = Q2 + Qсис =
300,4 + 77,1 = 377,5 Мвар
U′2 = U2 – Qат∙Хт2/ U2 = 498,87 – 377,5 ∙19,9/498,87 = 483,81 кВ
Uсн = U′2/Ктр
= 483,81∙230/500 = 222,55 кВ
Q′ат = Qат – [Рсис
2 + Qат 2]∙ Хт2/ U22= 377,5 –
[1112,85 2 + 377,5 2]∙19,9/ 498,872
Q′ат = 267 Мвар
Q′нн = Q′ат
– Qатс
= 267 – 221,334 = 45,67 Мвар
Uнн
= [U′2 – Q′нн
∙Хтн2/ U′2]∙11/500 = [483,81 –
45,67∙37,8/483,81]∙11/500 =10,56 кВ
Qнн
= Q′нн – Хтн2∙(Q′нн/
U′2) 2 = 45,97 –
37,8∙(45,67/483,81)2 = 45,63 Мвар
Учтём, что у нас уже имеются синхронные
компенсаторы КСВБ0-100-11. В данном режиме они будут потреблять реактивную
мощность.
Таким образом, наиболее
тяжелым режимом для СК является послеаварийный режим: необходимо установить 2xКСВБ-100-11.
Для обеспечения всех
режимов необходимо установить 8 групп реакторов 8x3xРОДЦ-60/500.
4. ОПРЕДЕЛЕНИЕ ТЕХНИКО-ЭКОНОМИЧЕСКИХ ПОКАЗАТЕЛЕЙ
ЭЛЕКТРОПЕРЕДАЧИ
В процессе проектирования электропередачи
была выявлена необходимость установки дополнительных устройств:
Двух СК КСВБ-320/20, восьми групп
реакторов 3хРОДЦ-60000/500
Учтём эти устройства при
расчёте кап. вложений в электропередачу.
З = Ен· Кå + Иå
Кå = К л1 + К л2
+ КГЭС + КП/СТ
1) Кл1 = 2∙к0(500))·
ℓ1 = 2∙63,5∙500 = 63500 тыс. руб.
2) Кл2 = 2∙к0(300))·
ℓ2 = 2∙48,4∙450 = 43560 тыс. руб.
3) КГЭС = Корувн +
Ктр + К пч
Корувн = 6·260 = 1560 тыс.
руб.
Ктр = 4∙705 = 2820
тыс. руб.
Кпч = 4100 тыс. руб.
КГЭС = 1560 + 2820+ 4100 =
8480 тыс. руб.
4) КП/СТ = КОРУ ВН +
КОРУ СН + КТР +
К пч + ККУ
КОРУ ВН = 260∙6
=1560 тыс. руб.
КОРУ СН = 110∙12 =1320 тыс. руб.
КТР = 2∙1260 = 2520
тыс. руб.
К пч = 2800 тыс. руб.
ККУ = КР + КСК
ККУ = 380∙8 + 1150 =
4190 тыс. руб.
КП/СТ = 1560 + 1320 + 2520
+ 2800 + 4190 = 12390 тыс. руб.
Тогда Кå = 63500 +43560+ 8480 + 12390 =
127930 тыс. руб.
Иå =Иå а.о.р. + Иå потери ээ
Иå а.о.р. = Иå а.о.р.вл + Иå а.о.р.ору вн ГЭС + Иå а.о.р.п/ст
Иå а.о.р.вл = 0,028·(63500 +43560) = 2997,7 тыс.
руб.
Иå а.о.р. ГЭС = 0,078·8480 = 661,44 тыс. руб.
Иå а.о.р.п/ст = 0,084∙12390 = 1040,76 тыс.
руб.
Иå а.о.р = 2997,7 + 661,44 + 1040,76 = 4699,9
тыс. руб.
Ипотери ээ Σ
= Ипотери ээ ВЛ + Ипотери ээ тр
1) Определим издержки на потери
электроэнергии в линиях:
а) в линии 1:
ΔWл1 = ΔР л1· τ л1 · α t, где α t, = 1
ΔP л1= (S2мах/
U2ном )∙ 0,5Rл
= 23472 /5002 ·5 = 110,17 МВт
Wгод = 1,294∙107 МВт·ч
Тмах = Wгод/Рмах = 1,294∙107/2300
=5626 час.
τ л1= (0,124 +
5626/10000)2 ·8760 = 4129,6 час
ΔW л1= 110,17 · 4129,6 = 454950 МВт·ч
ΔWкор л1 = 2∙35∙500 = 35000 МВт·ч
Ипотери ээ ВЛ1 =
ЗI∙ΔWл1 + ЗII∙ΔWкор л1 = 2∙10-2∙454950+
1,75∙10-2∙35000 =
9711,5 тыс. руб.
б) в линии 2:
ΔWл1 = ΔР л1· τ л1 · α t, где α t, = 1
ΔP л1= (S2мах/
U2ном )∙ 0,5∙Rл = 12242 /5002 ·7,015 = 42,04 МВт
Тмах = 5626 час.
τ л2= 4129,6 час
ΔW л1= 42,04 · 4129,6 = 173608 МВт·ч
ΔWкор л1 = 2∙60∙450 = 54000 МВт·ч
ЗI = 2 коп/(кВт∙час), ЗII = 1,75 коп/(кВт∙час)
Ипотери ээ ВЛ2 =
ЗI∙ΔWл1 + ЗII∙ΔWкор л1 = 2∙10-2∙173608+
1,75∙10-2∙54000 =
4417,2 тыс. руб.
Тогда Ипотери ээ ВЛ
= Ипотери ээ ВЛ1 + Ипотери ээ ВЛ2
=9711,5 + 4417,2 =14128,66 тыс. руб.
2)Определим издержки на потери
энергии в трансформаторах
а) в трансформаторах ГЭС 500/10:
Ипотери ээ тр ГЭС
= ЗI∙ΔР к.з(Sнг.мах./Sном.т)2.τ т + ЗII∙ΔР х.х ·8760
Ипотери ээ тр ГЭС
= 2∙10-2∙1/4∙0,121(2346./1251)2∙4129,6
+ 1,75∙10-2∙4∙0,42 ·8760 =266,33 тыс. руб.
б) в трансформаторах промежуточной
подстанции 500/220/10:
Ипотери ээ тр п/ст
= ЗI∙ΔР к.з(Sнг.мах./Sном.т)2.τ т + ЗII∙ΔР х.х ·8760
Ипотери ээ тр п/ст
= 2∙10-2∙1/6∙0,49∙(1122,45./1602)2∙4129,6
+ 1,75∙10-2∙6∙0,15 ·8760 =141,28 тыс. руб.
Ипотери ээ тр = Ипотери ээ тр
ГЭС + Ипотери ээ тр п/ст = 266,33 + 141,28 = 407,61
тыс. руб.
Ипотери ээ Σ = Ипотери ээ
ВЛ + Ипотери ээ тр = 14128,66 + 407,61 =
14536,27 тыс. руб.
И∑ = И∑а.о.р.+ И∑потери
ээ
И∑ = 4699,9 +
14536,27 = 19236,2 тыс. руб.
И тогда окончательно приведенные
затраты на схему варианта 2 будут равны:
З = Ен· Кå + Иå
З = 0,12· 127930+ 19236,2 = 34587,8
тыс. руб.
Найдём себестоимость передачи
электрической энергии сети:
С = Иå /Wгод
С = 19236,2 /1,294∙107 =
1,5 руб./МВт·ч = 0,15 коп/кВт∙ч
СПИСОК ЛИТЕРАТУРЫ
1. Правила устройства электроустановок. - М.:
Энергоатомиздат, 1986 – 648 с.: ил. М.:Энергоатомиздат, 1987.
2. Неклепаев Б.Н., Крючков И.П. Электрическая часть
электростанций и подстанций: Справочные материалы для курсового и дипломного
проектирования: Учебное пособие для вузов– 4-е изд., перераб. и доп. – М.: –
Энергоатомиздат, 1989 – 608 с.: ил.
3. Справочник по проектированию электроэнергетических
систем/В. В. Ершевич, А. Н. Зейлингер, Г. А. Илларионов и др.; Под ред. С. С.
Рокотяна и И. М. Шапиро. – 3-е изд., перераб. и доп. – М.: Энергоатомиздат,
1985 – 352 с.
4.Веников В.А.,Рыжов Ю.П. Дальние электропередачи переменного
и постоянного тока.– М.: Энергоатомиздат, 1985.–272 с.
5.Режимы дальних электропередач в примерах/Зарудский Г.К.,
Путятин Е.В.,
Рокотян И.С. и др.: Ред. Ю.П.Рыжов.–М.: Моск.энерг.ин-т,
1985.–180 с.
|