Контрольная работа: Аналогові електронні пристрої
Контрольная работа: Аналогові електронні пристрої
Зміст
1. Задача №1. Однокаскадний підсилювач
Графоаналітичний розрахунок робочого режиму
Розрахунок параметрів транзистора
Розрахунок кіл зміщення каскаду
2. Задача №2. Підсилювач потужності середнього класу якості
Вибір схеми підсилювача
Висновок
Література
Додатки
Завдання:
Розрахувати каскад
підсилення на біполярному транзисторі за параметрами:
діапазон частот
підсилювальних коливань 20Гц...12 кГц;
опір навантаження
Rн = 5 кОм;
напруга джерела
живлення Ек = 15,0 В;
опір резистора
навантаження Rк = 1,0 кОм;
амплітуда змінного
струму бази Іmб = 0,045 мА;
допустима
потужність розсіювання на колекторі Рк. макс = 240 мВт.

Рисунок 1.1 -
Схема каскаду підсилення, що розраховується.
Аналіз схеми. Каскад підсилення, що наведено на рис.1.1, є підсилювачем напруги.
Вихідна напруга з'являється внаслідок протікання колекторного струму ік
по резистору навантаження Rн (перетворення струму у напругу). Вхідна змінна
напруга Uвх подається через розділювальний конденсатор Ср1 на перехід база -
емітер, вона змінює струм бази іб, якій викликає набагато
більший струм ік, котрий викликає падіння напруги ік Rн.
Транзистор
ввімкнутий за схемою зі спільним емітером: джерело сигналу, емітер та
навантаження каскаду мають спільну точку. Схема містить кола живлення з
фіксованою напругою Uбе й емітерну стабілізацію робочої точки, яка ґрунтується
на послідовному негативному зворотному зв’язку НЗЗ через резистор Rе. Напруга UR2
>URе
на 0,1...0,5В, і транзистор відкритий, тобто перехід база-емітер зміщені у
прямому напрямку при відсутності вхідного сигналу. Конденсатором Се заблоковано
резистор Rе за змінним струмом. Місцевий НЗЗ, потрібний для стабілізації
показників підсилювача та зниження спотворень.
Розрахунок схеми
вибираємо графоаналітичний метод розрахунку робочого режиму транзистора.
За початковими
даними вибираємо транзистор виходячи з того, що пряма навантаження на вихідних
характеристиках повинна перетинати сімейство тих характеристик, що забезпечують
потрібний розмах вхідного струму. Один з таких транзисторів - КТ 312А. Його
параметри:
Ik max =
30 mA.
Uкэ max =
20 В.
Uкб max =
20 В.
Pк max = 225 мВт.
h21э =
10 - 100.
fгр =
300 МГц.
1. Схема використовується
для підсилення малих сигналів без спотворень. Напруга змінного сигналу може
мати як позитивне, так і негативне значення. Тому й при рівному нулю вхідному
сигналі (режим спокою) у транзисторі повинні існувати струми бази та колектора,
а для розрахунку робочого режиму транзистора потребуються сімейства вхідних і
вихідних характеристик. Які для даного транзистора приведені в додатку А.
2. На сімействі
вихідних ВАХ наводимо криву максимально допустимої потужності. Для цього
надаємо різні значення Uке в межах значень наведеної характеристики, обчислюємо
струм колектора за формулою:
Iк = Рк. макс
/ Uке. (1.1)
та з’єднуємо
отримані точки.
3. Хід
навантажувальної прямої за постійним струмом і положення робочої точки
визначається точкою Ек на вісі абсцис, при цьому пряма перетинає вісь ординат в
точці за формулою:
. (1.2)
Через ці позначені
точки необхідно провести пряму навантаження.
Опір Rе потрібно
визначити виходячи з таких міркувань. Для підвищення коефіцієнта стабілізації
збільшують Rе наскільки дозволяє джерело та зменшують
Rб = R1/R2 (1.3)
Але при малому Rб
зростає струм споживання транзистора та погіршуються його енергетичні
показники. Як правило,
URе =
(0,15…0,2) ∙ Ек. (1.4)
URе =
0,2 ∙ 15 = 3 В.
Орієнтуючись на
типовий режим транзистора Uке = 5В,
Іко =
Іе = 1…5 мА.
Приймаємо значення
Іко = 5мА і визначаємо Rе за формулою:
Rе = URе /
Іе. (1.5)
Rе = 3/5 ∙10-3
= 600 Ом.
Отже із ряду
номіналів Е24 приймаємо резистор рівний 600 Ом.
Визначаємо його
потужність
PR = I2
∙ R (1.6)
PRе =
(5 ∙10-3) 2 ∙ 600 = 0,015 Вт.
Приймаємо
потужність резистора рівною 0,125 Вт.
За формулою 1.2
розраховуємо Iк
= 9,4 мА.
та відмічаємо Ік
на графіку 1 (додаток А), будуємо навантажувальну пряму.
4. Обираємо на
навантажувальної прямої положення робочої точки спокою А так, щоб забезпечити
задану зміну змінної складової струму бази Іmб в позитивному та негативному
напрямках. Робоча точка визначить постійну складову струму бази Ібо,
яка дорівнює 150 мкА (струм бази в режимі спокою), постійну складову
струму колектора Іко (струм колектора в режимі спокою), постійну
складову напруги на колекторі Uкео (наруга спокою на колекторі), яка
дорівнює 12 В.
5. Амплітуда
змінної складової струму колектора
Іmк = (Ік макс -
Ік мін) / 2 (1.7)
Іmк = (7 - 3,5) /
2 = 1,75 мА.
6. Амплітуда
змінної напруги на навантаженні
Um н =
Іmк ∙ Rк. (1.8)
Um н =
1,75 ∙10-3 ∙ 1 ∙ 103 = 1,75 В.
7. Коефіцієнт
підсилення за струмом
КІ =
Іmк / Іmб. (1.9)
КІ =
1,75 ∙10-3/45 ∙10-6 = 39.
8. Вихідна
потужність
Рвих = 0,5 ∙
Іmк ∙ Um н. (1.10)
Рвих = 0,5 ∙
1,75 ∙10-3 ∙ 1,75 = 1,53 мВт.
9. Потужність, що
споживається в колекторному колі
Рспож = Ек ∙
Іко. (1.11)
Рспож = 15 ∙
5 ∙ 10-3 = 0,075 Вт.
10. ККД
колекторного кола
h = Рвих /Рспож ∙ 100%. (1.12)
h = (1,53 ∙10-3/0,075) ∙
100 = 2,04%
11. На вхідній
ВАХ, графік 2 додаток А, позначаємо точку А, котра відповідає Ібо, і
за графіком знаходимо Uбео = 0,7 В, а для значень Ібмакс і Іб мін
(точка Б і В на графіку) - відповідно Uбе макс = 0,77 В і Uбе мін = 0,71 В.
12. Амплітуда
вхідної напруги
Umб = (Uб макс -
Uб мін) /2. (1.13)
Umб = (0,77 -
0,71) / 2 = 30 мВ.
13. Коефіцієнт
підсилення за напругою
КU = Um
н / Umб. (1.14)
КU =
1,75/0,03 = 58,3.
14. Коефіцієнт
підсилення за потужністю
КР = КІ
∙ КU. (1.15)
КР = 39
∙ 58,3 = 2275.
15. Вхідна
потужність
Рвх = 0,5 · Іmб ·
Umб. (1.16)
Рвх = 0,5 · 0,045 ∙10-3
· 0,03 = 0,675 мкВт.
16. Вхідний опір
Rвх = Umб / Іmб.
(1.17)
Rвх = 0,03/0,045 ∙10-3
= 667 Ом.
1. Для отриманих
значень Uкео і Іко визначимо h - параметри транзистора:
а) h21е - коефіцієнт
передачі струму в режимі к. з. на виході для змінного струму за точками Г і Д
на графіку 1 додаток А:
h21е= b = DІк/ DІб (1.18)
при Uке=соnst;
h21е =
12∙10-3/0,2∙10-3 = 60;
б) h22е - вихідну
провідність транзистора в режимі х. х. на вході для змінного струму за точками
Е і Ж на тому ж графіку:
h22е = DІк / DUке (1.19)
при Іб = соnst;
h22е =
2 ∙ 10-3/5 = 0,4 мСм;
в) h11е - вхідний
опір транзистора в режимі к. з. на виході для змінного струму за точками М і Н
на графіку 2 додаток А:
h11е = DUбе / DІб (1.20)
при Uке = соnst;
h11е=
40 ∙ 10-3/50 ∙ 10-3 = 800 Ом;
г) S - крутизну
характеристики транзистора:
S = h21е /
h11е; (1.21)
S = 60/800 = 0,075
д) Rвих - вихідний
опір:
Rвих = 1/h22е.
(1.22)
Rвих = 1/0,4 ∙
10-3 = 2500 Ом.
2. Визначимо
параметри каскаду за приблизними формулами та порівняємо з результатами
графоаналітичного розрахунку:
КІ = h21е
∙ Rвих / (Rн + Rвих); (1.23)
КІ = 60
∙ 2500/ (5 ∙ 103 + 2500) = 50;
за результатами
графоаналітичного розрахунку КІ = 39;
Rвх = h11е
= 800 Ом;
за результатами
графоаналітичного розрахунку Rвх = 667 Ом;
КU = h21е
∙ Rн / Rвх; (1.24)
КU = 60
∙ 1 ∙ 103/800 = 75
за результатами
графоаналітичного розрахунку КU = 147
Кр = КІ
∙ КU (1.25)
Кр = 50∙ 75
= 3750.
1. Струм
подільника R1 // R2
Іпод = Ек /
(R1+R2) »
10 ∙ Ібо. (1.26)
Іпод » 10 ∙ 0,8 ∙
10-3 = 0,8 мА
2. Опір резистора
R2
R2 = (URе +
Uбео) / Іпод. (1.27)
R2 = (3 + 0,74) /
0,8 ∙ 10-3 = 4,675 кОм.
Із ряду номіналів
Е24 приймаємо резистор рівний 3,3 кОм.
Визначаємо його
потужність за формулою 1.6
PR2 =
(0,8 ∙ 10-3) 2 ∙ 4,675 ∙ 103
= 0,003 Вт.
Приймаємо
потужність резистора рівною 0,125 Вт.
3. Опір резистора
R1
R1= Ек / Іпод -
R2. (1.28), R1= 15/0,8 ∙ 10-3 - 4,675 ∙ 103 =
14,075 кОм.
Із ряду номіналів
Е24 приймаємо резистор рівний 14 кОм.
Визначаємо його
потужність за формулою 1.6
PR1 =
(0,8 ∙ 10-3) 2 ∙ 14 ∙ 103 =
0,009 Вт.
Приймаємо
потужність резистора рівною 0,125 Вт.
4. Ємність, що
шунтує резистор Rе
Се ³ 1/2 ∙ p ∙ ¦н ∙ R1 // R2 // h21е ∙ rе,
де вхідний опір з
боку бази rе = 25/Ік = 5
Се > (1.29)
Се > = 29 × 10-6 Ф
Із ряду номіналів
Е24 в більшу сторону приймаємо ємність рівною 30 мкФ
5. Вхідна та
вихідна ємність зв’язку розраховується на нижній граничній частоті
Ср1 =
1/ 2p¦н R1 // R2 // [h21е (rе +Rш)].
Ср1 = 
Ср1= = 29 × 10-6 Ф
Із ряду номіналів
Е24 в більшу сторону приймаємо ємність рівною 30 мкФ
Ср2 > 
Ср2 = = 1,59 (мкФ)
Із ряду номіналів
Е24 в більшу сторону приймаємо ємність рівною 1,6 мкФ
Завдання.
Розрахувати
підсилювач потужності середнього класу якості.
Вихідні дані:
потужність на
виході Rн
= 50 Вт,
опір навантаження
RН = 8 Ом,
напруга сигналу на
вході UВХ = 1,8 В,
нижня гранична
частота fН = 20Гц,
гранична частота
транзисторів fa ³ 3 МГц,
режим АВ, напруга
живлення - симетрична.
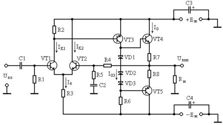
Згідно до вимог,
які ставляться до підсилювачів середнього класу якості, складемо таку схему
(рис.2.1): вхідний каскад - диференційний на транзисторах VT1 і VT2 (відмінна
стабільність за постійним струмом, між каскадами не потрібні розділювальні
конденсатори, два входи), проміжний каскад - підсилювач зі СЕ на транзисторі
VT3, вихідний каскад - двотактний емітерний повторювач на транзисторах VT4 і
VT5, між базами яких включені діоди VD1…VD3 для зміщення каскаду в стан
провідності (для поліпшення температурної компенсації діоди повинні мати
тепловий контакт з вихідними транзисторами), режим роботи АВ, вихідна напруга
надходить в коло зворотного зв’язку R4, R5, C2 (наявність С2 означає, що
коефіцієнт зворотного зв’язку за постійним струмом дорівнює одиниці, це
мінімізує дрейф і гарантує зневажено мале значення постійної напруги на виході
підсилювача - тому не потрібні конденсатори на виході). За допомогою резисторів
R7, R8 виконується невеликий зворотній зв’язок за струмом, який поліпшує
стабільність за постійним струмом.

Рисунок 2.1 -
Схема підсилювача потужності з НЗЗ.
Розрахунок
схеми:
1. Визначаємо за
невеликим запасом потужність, яку повинні віддавати транзистори обох плеч
каскаду
Р~ ³ 1,1· Рн.
(2.1)
Р~ ³ 1,1· 50 ³ 55 Вт.
Приймаємо
потужність, яку повинні віддавати транзистори обох плеч каскаду Р~ = 60 Вт.
2. Потрібна
амплітуда напруги на навантаженні
(2.2)
= 31 В.
3. Максимальній
вихідний струм (струм колектора)
(2.3)
= 3,9
А.
4. Потрібна
напруга живлення
(2.4)
= 64 В.
де Uк min
- напруга на колекторі, що відповідає початку лінійної частки характеристик
колекторного струму. Приймаємо Uк min = 1,0 В.
5. Вибираємо
потужні транзистори протилежного типу провідності (так звану комплементарну
пару) VT4 і VT5 за потужністю Р~ і . За довідковими даними
позначаємо середнє значення bо. Транзистори, які можуть бути використані
в даній схемі - це КТ 816В та КТ 817В, їхні параметри: КТ 818АКТ 819А
Pк max = 25 Вт,Pк
max = 25 Вт,
Uкбо = 60 B,Uкбо = 60 B,
h21е ³ 25,h21е
³ 25,ІКМ = 3А, ІКМ = 3А,
fa ³ 3 МГц, fa ³ 3 МГц,
тир p-n-pтир n-p-n
Приймаємо середнє
значення bо рівним 25 для VT4 і VT5.
6. Підсилювач
класу АВ повинен мати достатньо великий струм спокою у момент переходу сигналу
через нуль, тобто тоді протягом деякого інтервалу часу обидва транзистори
находитимуться у стані провідності, що забезпечується за допомогою діодів VD1…VD3
зміщених у прямому напрямку. Вони повинні забезпечити потрібну напругу зміщення
DU. Яка
створюється сумою напруг база-емітер Uбе обох транзисторів VT4 і VТ5
і Іо (R7 + R8), тобто DU = 2Uбе + Іо (R7 + R8). Звичайно приймають для потужних
транзисторів Uбе = 0,6В (кожному транзистору потрібні 0,6 В на
переході база-емітер для того, щоб через нього протікав помітний струм).
Струм спокою Іо
слід вибрати з мінімуму перехідних нелінійних спотворень. Якщо потужність на
гучномовці обмежена 1 Вт, то Іо = 5…10 мА. Для потужності 10…30 Вт - Іо = 40…60
мА. Тому обираємо струм спокою рівний Іо = 60 мА. Опір резисторів R7,R8
вибирають не більш як декілька ом або менше, а падіння напруги на них дорівнює
не більш декількох частин вольта. Разом з тим вони ввімкнути послідовно з Rн і
тому зменшують потужність, яка віддається в навантаження. Виходячи з цього
доцільніше прийняти Іо (R7 + R8) = Uбе= 0,6В і визначаємо R7 = R8,
тобто
R7 = R8 = Uбе
/ Іо × 2 (2.5)
R7 = R8 = 0,6/
(100 × 10-3 × 2) = 3 Ом.
Із ряду номіналів
Е24 приймаємо резистори рівні 3 Ом.
Приймаємо
потужність резисторів рівною 0,125 Вт.
Для роботи
транзисторів VT4 і VТ5 потрібні 0,6 В на переході база-емітер, для цього
потрібні три діоди, кожен з котрих дає Uд = 0,6 В.
7. Вибираємо діоди
2Д 106А. Находимо з ВАХ (додаток Б)
струм Ід = 20 мА,
який потрібен для отримання Uд.
8. Вхідний сигнал
до двотактного каскаду знімається з колектора проміжного каскаду на VT3, у
якому R6 є колекторним резистором і формує струм Ід для зміщення діодів, тому
струм спокою VT3 І03 = Ід = 20 мА, а на резисторі R6 падає приблизно
“-Еж". Визначаємо опір резистора
R6 = Еж / Іоз.
(2.6)
R6 = 64/0,02 = 3,2
кОм.
Із ряду номіналів
Е24 приймаємо резистор рівний 3,24 кОм.
9. За номінальним
вихідним струмом і середнім коефіцієнтом підсилення за струмом b0 вибраних транзисторів VT4, VT5 струм колектора VT3.
(2.7)
0,156 А.
10. Потужність,
яка розсіюється транзистором VT3 у режимі спокою,
Р3 = Еж
× І03.
(2.8)
Р3 = 64
×
0,02= 6,4 Вт.
Вибираємо
транзистор VT3 за критерієм надійності. ГТ 406В
Pк max = 10 Вт,
Uкбо = 80 B,
h21е ³ 30,ІКМ = 5А,
fa ³ 3 МГц,
тир p-n-p
Позначаємо b3 = 25
11. База
транзистора VT3 приєднана до колектору VT1, тому резистор R2 треба вибрати
таким, щоб струм спокою VT1 створював падіння напруги UR2 = UД,
тоді струми ІК1 і ІК2 диференційної пари будуть рівні між
собою. Виходячи з цього UR2 = Uд = 0,6 В. Вибираємо
значення струмів ІК1 = ІК2 (диференціальний каскад працює
з малими струмами, наприклад 1 мА), тоді визначаємо:
R2 = UR2/ІК1.
(2.9)
R2 = 0,6/1× 10-3
= 600 Ом.
Із ряду номіналів
Е24 приймаємо резистор рівний 620 Ом.
Приймаємо
потужність резистора рівною 0,125 Вт.
12. Потенціал
емітерів VT1,VT2 в режимі спокою можна прийняти рівним нулю, тоді струм
Іе = Іе1 +
Іе2 = (-Еж) / R3. (2.10)
Звичайно:
Іе @ ІК1 + ІК2
(2.11)
Іе = 1 ∙ 10-3
+ 1 ∙ 10-3 = 2 мА
Визначаємо R3 за
формулою:
R3 = (-Еж) / Іе.
(2.11), R3 = 64/2 ∙ 10-3 = 32 кОм.
Із ряду номіналів
Е24 приймаємо резистор рівний 32,4 кОм. Приймаємо потужність резистора рівною
0,125 Вт.
13. Для
забезпечення міцності на пробій VT1 і VT2 слід вибрати транзистори, які мають:
Uке ³ 2 × Еж, (2.12)
Uке ³ 2 × 64 ³ 128 В.,
малий тепловий
струм і достатнє високий коефіцієнт. За даними параметрами вибираємо
транзистори КТ 630В.
Uке max = 150 B,
h21е = 40...120,ІКМ = 1
А,
fa ³ 3 МГц,
Визначаємо
середній коефіцієнт підсилення транзисторів:
b1 = b2 = (40 + 120) / 2 = 80.
14. Коефіцієнт
підсилення підсилювача по напрузі:
(2.13)
= 11,1.
15. Для сигналу
коефіцієнт зворотного зв’язку bзз = R5/ (R4+R5). Треба вибрати опір R4.
Звичайно для симетричної роботи диференціального підсилювача опори баз VT1 і
VT2 повинні бути рівними, тобто R4 = R1. Паралельне з’єднання R1 та опір з боку
бази VT1 визначає вхідний опір підсилювача. З цих умов вибираємо R4 = R1 =
50…100 кОм.
Із ряду номіналів
Е24 приймаємо резистори номіналом 50 кОм.
Приймаємо
потужність резисторів рівною 0,125 Вт, тому, що через них протікають малі
струми.
Тоді:
R5 = R4/ (Кu
- 1). (2.14)
R5 = 50 × 103/
(11,1 - 1) = 5 кОм.
Струми через
резистор протікають не значні, тому приймаємо його потужність рівною 0,125 Вт.
16. Ємність
конденсатора кола зворотного зв’язку С2 розраховується виходячи з нижніх
граничних частот fН
(2.15)
= 1,59 мкФ.
Із ряду номіналів
приймаємо конденсатор рівний 2 мкФ.
17. Ємність
розділювального конденсатора визначається з умови:
1/wC1 = Rвх / 10, (2.16)
де Rвх @ R1, звідси:
(2.17)
= 0,16 мкФ.
Із ряду номіналів
приймаємо конденсатор рівний 2 мкФ.
Аналіз схеми. Коло ЗЗ розімкнуто у точці В, а правий вивід R4 заземлений. Вхідний
опір підсилювача визначається паралельним з’єднанням опору R1 і вхідному опору
транзистора VT1, який складається з збільшеного в h21е разів
власного емітерного опору rе плюс опір з боку емітера VT2 з
урахуванням кола ЗЗ (R5):
, (2.18)
де rе =
25/Ік [мА].
Rвх = 80 × (2 × (25/5) × 10-3
+ 5 × 103/80) = 5 × 103 Ом.
Вихідний опір
підсилювача:
Rвих =
(Rе / h21е + R7). (2.19)
де опір Rе = R6,
тому що на вихідні транзистори практично працює джерело з опором R6 (опір
колектора VT3 значний).
Rвих =
(3,2 × 103/25 + 3) = 131 Ом.
Опір навантаження
диференційного каскаду визначається паралельним з’єднанням R2 і вхідним опором
з боку Rбе транзистора VT3. Тоді коефіцієнт підсилення диференціальної пари
,
Кд = (2.20)
де rе3 =
25/Іо3 = 25/20 = 1,25 Ом,
а вхідний опір з
боку бази VT3
Rвх = h21е
× rе3. (2.21), Rвх = 25 × 1,25 = 31,25
Ом.
Підставляємо дані
значення в формулу (2.20)
Кд = = 11,88
Коефіцієнт
підсилення проміжного каскаду.
Кз = R6/rе3.
(2.22)
Кз = 3,2/1,25 =
2,56.
У точці спокою
повний коефіцієнт підсилення становить
Кп = Кд × Кз. (2.23)
Кп = 11,88 × 2,56 = 30,4.
Зауважимо, що К3
залежить від струму Ік3, тому він змінюється при зміні сигналу.
Коло ЗЗ замкнено.
Коло ЗЗ являє собою подільник напруги з відношенням плечей bЗЗ. Тоді коефіцієнт підсилення у петлі ЗЗ
К = Кп × bЗЗ. (2.24)
К = 30,4 × 25 = 760
Вхідний імпеданс
збільшується у (1+К) разів і визначається паралельним з’єднанням опору (1+К) × Rвх та
R1:
Rвх33 =
(1+ К) × Rвх × R1/ (К × Rвх+ R1). (2.25)
Rвх33 =
= 16,1кОм.
Можна вважати, що
вхідний опір визначається резистором зміщення R1.
Вихідний опір,
навпаки, зменшується у (1+К) разів. Тоді:
RвихЗЗ
= Rвих / (1 + К). (2.26)
RвихЗЗ
= 131 (1 + 760) = 0,17.
Коефіцієнт
підсилення:
Кпзз=
Кп / (1+К). (2.27)
Кпзз=
30,4/ (1 + 760) = 0,039.
В даній
розрахунково-графічній роботі при графоаналітичному методі розрахунку робочого
режиму транзистора, задача 1, присутні деякі розбіжності, що внеслися при
побудові графіків. З розрахунку підсилювача напруги та підсилювача потужності
ми дійшли висновку, що на АЧХ підсилювачів на низький частотах найбільше
впливають розділювальні ємності та конденсатор Се. Місцевий НЗЗ, потрібний для
стабілізації показників підсилювача та зниження спотворень. Розрахункові дані
дозволяють висловить, що негативний зворотний зв’язок істотно поліпшує
характеристики підсилювача, в першу чергу зростає стабільність підсилювання.
Також, для
розрахунку багатокаскадного підсилювача можна, не використовуючи вихідні
характеристики транзисторів. Коефіцієнт підсилення обраховується виходячи з
параметрів зворотного зв'язку, що значно зменшує клопоти з графічною частиною
роботи, або взагалі їх виключає. Таке схематичне рішення, яке обране для роботи
є далеко не оптимальним, мається на увазі малі місцеві негативні зворотні
зв'язки, що робить схему нестабільною. Вмикати таку схему без загального НЗЗ
(R4, R5) взагалі немає ніякого сенсу, бо вона просто не працюватиме, перейшовши
в режим насичення одного з вихідних транзисторів. Як показують результати
симуляції, робота підсилювача набагато лінійніша, що пояснюється меншою
кількістю конденсаторів у схемі та наявністю НЗЗ.
1. Терещук П.М. и др. Полупроводниковые
приемно-усилительные устройства Справочник радиолюбителя. - К.: Наукова думка,
1987. - 801с.
2. Брежнева К.М. и др. Транзисторы Для Аппаратуры
Широкого Применения., - М.: Радио и связь, 1981. - 658 с.
3. Москатов Е.А., Справочник по полупроводниковым
приборам - М.: Журнал “Радио”, 2005. - 208 с., ил. М.: Связь, 1977. - 359 с.
4 ГОСТ 2.417-68. Правила выполнения чертежей печатных
плат. - 17 с.
5. Войшвилло Г.В. Усилительные устройства., - М.: -
М.: Радио и связь, 1983. - 264 с.
7. Титце У. Шенк К. Полупроводниковая схемотехника:
Справ. руко-водство: Пер. с нем. - М.: Мир, 1983. - 512 с.
8. Проектирование усилительных устройств: Учеб.
пособие / Под ред. Н.В. Терпугова. - М.: Высш. шк., 1982.


|